Schauinsland S524
SABA; Villingen
- Country
- Germany
- Manufacturer / Brand
- SABA; Villingen
- Year
- 1955/1956
- Category
- Television Receiver (TV) or Monitor
- Radiomuseum.org ID
- 20383
-
- Brand: Schwer & Söhne, GmbH
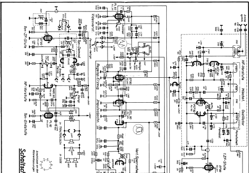
Click on the schematic thumbnail to request the schematic as a free document.
- Number of Tubes
- 17
- Valves / Tubes
- PCC84 PCF82 EF80 EF80 EF80 PL83 EF80 ECL80 ECL80 ECC82 PL81 PY83 EY86 EF80 PABC80 PL82 MW43-64
- Main principle
- Superheterodyne (common); ZF/IF 38900 kHz
- Wave bands
- Wave Bands given in the notes.
- Details
- Remote Control (with wire or wireless)
- Power type and voltage
- Alternating Current supply (AC) / 220 Volt
- Loudspeaker
- Permanent Magnet Dynamic (PDyn) Loudspeaker (moving coil) / Ø 20 cm = 7.9 inch
- Material
- Wooden case
- from Radiomuseum.org
- Model: Schauinsland S524 - SABA; Villingen
- Shape
- Console, Lowboy (legs < 50 %).
- Dimensions (WHD)
- 530 x 850 x 495 mm / 20.9 x 33.5 x 19.5 inch
- Notes
- Diode: OA160. 43-cm-TV als offenes Standgerät mit Bücherfach und abziehbarem Schaltschlüssel, 10 VHF-Kanäle + 2 Reserve.
- Net weight (2.2 lb = 1 kg)
- 40 kg / 88 lb 1.7 oz (88.106 lb)
- Price in first year of sale
- 898.00 DM
- External source of data
- Erb
- Source of data
- HdB d.Rdf-& Ferns-GrH 1955/56
- Other Models
-
Here you find 1652 models, 1511 with images and 1191 with schematics for wireless sets etc. In French: TSF for Télégraphie sans fil.
All listed radios etc. from SABA; Villingen