Schauinsland T248 electronic G 1ª Serie
SABA; Villingen
- Pays
- Allemagne
- Fabricant / Marque
- SABA; Villingen
- Année
- 1971 ?
- Catégorie
- Récepteur de télévision ou moniteur
- Radiomuseum.org ID
- 327852
-
- Brand: Schwer & Söhne, GmbH
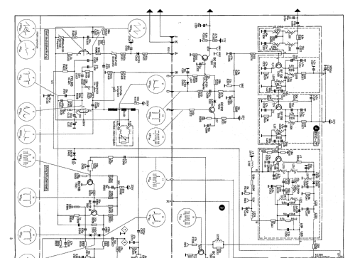
Cliquez sur la vignette du schéma pour le demander en tant que document gratuit.
- No. de tubes
- 5
- No. de transistors
- 16
- Semi-conducteurs
- TAA710 ZTK33 AF239 AF239 AF239 AF139 AF139 BF196 BF196 BF197 BC170 BC212 BC172 BC258 BC171 BC171 BC148 MJE340 AA133 AA138 BAX13 BA182 BY133 BY134 BB105 MR31 V40C2 TV18
- Principe général
- Super hétérodyne avec étage HF; FI/IF 38900 kHz; 2 Etage(s) BF
- Gammes d'ondes
- VHF/UHF (voir details en note)
- Particularités
- Télécommande par HF ou fil
- Tension / type courant
- Alimentation Courant Alternatif (CA) / 220 Volt
- Haut-parleur
- HP dynamique oval à aimant permanent
- De Radiomuseum.org
- Modèle: Schauinsland T248 electronic G [1ª Serie] - SABA; Villingen
- Forme
- Modèle de table profil bas (grand modèle).
- Dimensions (LHP)
- 710 x 485 x 390 mm / 28 x 19.1 x 15.4 inch
- Remarques
-
Saba Schauinsland T248 electronic G (1ª Serie)
- 61 cm Fernseh-Tischgerät
- Empfangsbereiche
- VHF - Bereich Kanäle: 2 - 12
- UHF - Bereich Kanäle: 21 - 60
- Antenneneingang 240 Ohm symmetrisch
- Lautsprecher: 11,5 x 17 cm.
- Weitere Halbleiter: 33 Dioden, 2 ICs
- Fernbedienung Typ FS-24
Siehe auch: Schauinsland T243 electronic G (3ª Serie)
- Poids net
- 24 kg / 52 lb 13.8 oz (52.863 lb)
- Schémathèque (1)
- -- Original-techn. papers.
- Auteur
- Modèle crée par Miguel Bravo-Cos. Voir les propositions de modification pour les contributeurs supplémentaires.
- D'autres Modèles
-
Vous pourrez trouver sous ce lien 1652 modèles d'appareils, 1510 avec des images et 1191 avec des schémas.
Tous les appareils de SABA; Villingen