- Hersteller / Marke
- Sachsenwerk Niedersedlitz, VEB Elektromaschinenbau; Niedersedlitz (Ostd.)
- Jahr
- 1955/1956
- Kategorie
- Rundfunkempfänger (Radio - oder Tuner nach WW2)
- Radiomuseum.org ID
- 6372
-
- Marke: VEB Elektromaschinenbau Sachsenwerk
Klicken Sie auf den Schaltplanausschnitt, um diesen kostenlos als Dokument anzufordern.
- Anzahl Röhren
- 6
- Hauptprinzip
- Superhet allgemein; ZF/IF 468/10700 kHz
- Anzahl Kreise
- 6 Kreis(e) AM 7 Kreis(e) FM
- Wellenbereiche
- Langwelle, Mittelwelle, Kurzwelle und UKW.
- Betriebsart / Volt
- Wechselstromspeisung / 110; 127; 220; 240 Volt
- Lautsprecher
- Dynamischer LS, mit Erregerspule (elektrodynamisch) / Ø 20 cm = 7.9 inch
- Belastbarkeit / Leistung
- 4 W (Qualität unbekannt)
- Material
- Gerät mit Holzgehäuse
Die GFGF Zeitschrift Funkgeschichte bringt interessante Artikel zu Radios, Funkwesen und Medien. Bei Radiomuseum.org finden Sie die vollständigen Hefte früherer Ausgaben als PDF zum Download.
- von Radiomuseum.org
- Modell: Olympia 552WU - Sachsenwerk Niedersedlitz,
- Form
- Tischgerät, Tasten oder Druckknöpfe.
- Abmessungen (BHT)
- 530 x 385 x 270 mm / 20.9 x 15.2 x 10.6 inch
- Bemerkung
-
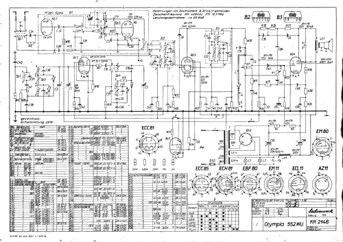
Weiterentwicklung des Olympia 552WUM, jetzt mit Novalröhren in HF- und ZF-Stufe sowie Tasten für Wellenbereichsschalter. Im Laufe der Fertigung statt ECC81 die ECC85 und statt EM11 die EM80. FM aber noch Flankendemodulation. Regelbare Bass-/Höhenanhebung. - Auch Variante mit "Raumklang" lieferbar.
- Nettogewicht
- 14 kg / 30 lb 13.4 oz (30.837 lb)
- Originalpreis
- 375.00 DM
- Datenherkunft
- Radiokatalog Band 2, Ernst Erb
- Literaturnachweis
- -- Original-techn. papers. (9504)
- Literatur/Schema (1)
- DRM Archivverlag (55SW01H)
- Weitere Modelle
-
Hier finden Sie 48 Modelle, davon 41 mit Bildern und 39 mit Schaltbildern.
Alle gelisteten Radios usw. von Sachsenwerk Niedersedlitz, VEB Elektromaschinenbau; Niedersedlitz (Ostd.)
Sammlungen
Das Modell Olympia befindet sich in den Sammlungen folgender Mitglieder.