Goldsuper Stereo 30 22010
Schaub und Schaub-Lorenz
- Country
- Germany
- Manufacturer / Brand
- Schaub und Schaub-Lorenz
- Year
- 1962/1963
- Category
- Broadcast Receiver - or past WW2 Tuner
- Radiomuseum.org ID
- 24366
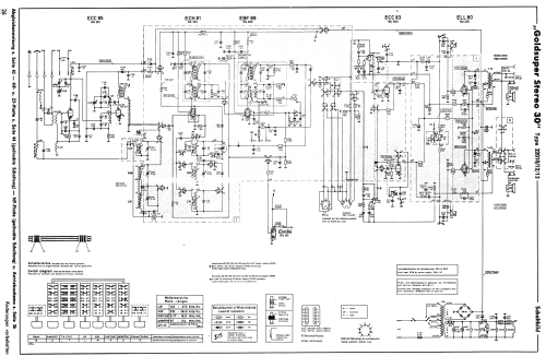
Click on the schematic thumbnail to request the schematic as a free document.
- Number of Tubes
- 6
- Number of Transistors
- Main principle
- Superheterodyne (common); ZF/IF 460/10700 kHz
- Tuned circuits
- 6 AM circuit(s) 10 FM circuit(s)
- Wave bands
- Broadcast, Long Wave, Short Wave plus FM or UHF.
- Power type and voltage
- Alternating Current supply (AC) / 110-117; 127; 220; 240-250 Volt
- Loudspeaker
- 2 Loudspeakers
- Power out
- 8.5 W (unknown quality)
- Material
- Wooden case
- from Radiomuseum.org
- Model: Goldsuper Stereo 30 22010 - Schaub und Schaub-Lorenz
- Shape
- Tablemodel with Push Buttons.
- Dimensions (WHD)
- 620 x 345 x 235 mm / 24.4 x 13.6 x 9.3 inch
- Notes
- 
        2 Eintakt Endstufen je 3,5 W bei Stereo-Betrieb oder eine 8,5-W-Gegentakt-Endstufe bei Mono-Betrieb. Gehäuse: Nußbaum mittelbraun poliert (Typ 22010) Siehe auch Goldsuper Stereo 30 in den Ausführungen - Typ 22012 Nußbaum natur matt, Typ 22013 Olive Esche matt
- Goldsuper Stereo 30F, Typ 22015 (Exportmodell für die Schweiz, mit drehbarar Ferritantenne)
 
- Net weight (2.2 lb = 1 kg)
- 10.4 kg / 22 lb 14.5 oz (22.907 lb)
- Price in first year of sale
- 429.00 DM
- External source of data
- Erb
- Source of data
- Handbuch VDRG 1962/1963
- Literature/Schematics (1)
- -- Original-techn. papers.
- Other Models
- 
        Here you find 974 models, 833 with images and 691 with schematics for wireless sets etc. In French: TSF for Télégraphie sans fil. 
 All listed radios etc. from Schaub und Schaub-Lorenz
Collections
The model Goldsuper Stereo 30 is part of the collections of the following members.
 
                
                
                
                
                
                
                
                
                
                
               