Silvertone 7178 Ch= 528.52001
Sears, Roebuck & Co.; Chicago (IL)
- Land
- USA
- Hersteller / Marke
- Sears, Roebuck & Co.; Chicago (IL)
- Jahr
- 1957 ?
- Kategorie
- Fernseh-Empfänger/Monitor
- Radiomuseum.org ID
- 314029
-
- Marke: Silvertone
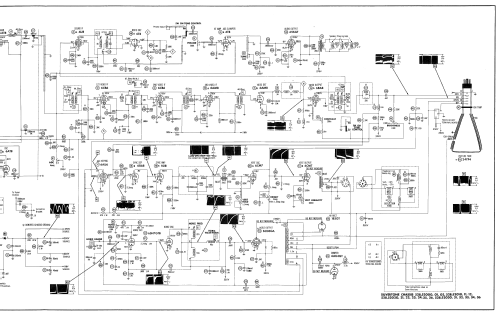
Klicken Sie auf den Schaltplanausschnitt, um diesen kostenlos als Dokument anzufordern.
- Anzahl Röhren
- 16
- Röhren
- 6BS8 or 6BZ7 6AT8 6CB6 6CB6 6AM8 6BA8 6AU6 6U8 6T8 6V6GT 6CM7 6SN7GTB 6CD6GA or 6DQ6A 6AU4GT 1B3GT 24YP4
- Hauptprinzip
- Super mit HF-Vorstufe
- Wellenbereiche
- Wellen in den Bemerkungen.
- Betriebsart / Volt
- Wechselstromspeisung / 60 Hz, 117V = 110 -120 Volt
- Lautsprecher
- 3 Lautsprecher
- Material
- Gerät mit Holzgehäuse
- von Radiomuseum.org
- Modell: Silvertone 7178 Ch= 528.52001 - Sears, Roebuck & Co.; Chicago
- Form
- Standgerät auf niedrigen Beinen (Beine < 50 % der Gesamthöhe).
- Bemerkung
-
Silvertone model 7178 is a 24" b/w TV with US standard VHF tuner channels 2 thru 13. Equipped with chassis 528.52001, VHF tuner 95-87 and picture tube 24YP4.
- Literatur/Schema (1)
- Photofact Folder, Howard W. SAMS (Set 370 Folder 12 dated 9-57)
- Autor
- Modellseite von Dirk Taekels angelegt. Siehe bei "Änderungsvorschlag" für weitere Mitarbeit.
- Weitere Modelle
-
Hier finden Sie 5527 Modelle, davon 3234 mit Bildern und 4235 mit Schaltbildern.
Alle gelisteten Radios usw. von Sears, Roebuck & Co.; Chicago (IL)