150 Ch= 25
Setchell Carlson, Inc.; St.Paul (MN)
- País
- Estados Unidos
- Fabricante / Marca
- Setchell Carlson, Inc.; St.Paul (MN)
- Año
- 1951 ?
- Categoría
- Televisión (TV) o monitor
- Radiomuseum.org ID
- 349858
-
- Brand: Doraphone
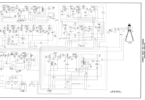
Haga clic en la miniatura esquemática para solicitarlo como documento gratuito.
- Numero de valvulas
- 26
- Válvulas
- 6AG5 6J6 6AU6 6AU6 6AU6 6AU6 6AU6 6K6GT 6AU6 12BH7 6AU6 6AL5 6AV6 6V6GT 6C4 6V6GT 6AL5 12BH7 6BQ6GT 6W4GT 1X2 or 1X2A 5U4G 6BE6 6BA6 6C4 17BP4A
- Principio principal
- Superheterodino con paso previo de RF
- Gama de ondas
- Bandas de recepción puestas en notas.
- Tensión de funcionamiento
- Red: Corriente alterna (CA, Inglés = AC) / 60 Hz, 117V = 110 -120 Volt
- Altavoz
- Altavoz dinámico (de imán permanente)
- Material
- Madera
- de Radiomuseum.org
- Modelo: 150 Ch= 25 - Setchell Carlson, Inc.; St.
- Forma
- Consola baja, patas más cortas del 50%.
- Anotaciones
-
Setchell Carlson model 150 is a 21” b/w TV with US standard VHF tuner channels 2 thru 13. Equipped with chassis 25, VHF tuner TV-276 and picture tube 17BP4A.
- Documentación / Esquemas (1)
- Photofact Folder, Howard W. SAMS (Set 144, folder 9, dated 9-51)
- Autor
- Modelo creado por Dirk Taekels. Ver en "Modificar Ficha" los participantes posteriores.
- Otros modelos
-
Donde encontrará 131 modelos, 73 con imágenes y 110 con esquemas.
Ir al listado general de Setchell Carlson, Inc.; St.Paul (MN)