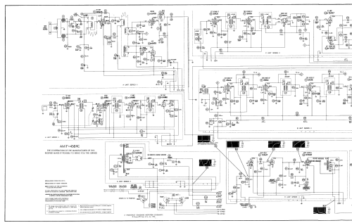
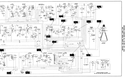
562 Ch= 156-RP
Setchell Carlson, Inc.; St.Paul (MN)
- Pays
- Etats-Unis
- Fabricant / Marque
- Setchell Carlson, Inc.; St.Paul (MN)
- Année
- 1955 ?
- Catégorie
- Récepteur de télévision avec radio ev. Enregistreur
- Radiomuseum.org ID
- 302165
-
- Brand: Doraphone
Cliquez sur la vignette du schéma pour le demander en tant que document gratuit.
- No. de tubes
- 28
- Lampes / Tubes
- 6BQ7A 6AT8 6BA6 6BA6 6AU6 6AM8 6AU6 6AU8 6AQ5 6AU6 6AU6 6AL5 12AX7 6AQ5 6AQ5 6BE6 12AU7 6V6GT 6AL5 12AU7 6CU6 6AX4GT 1B3GT 6BA6 6BE6 6AM8 5U4GB 21ATP4
- Principe général
- Super hétérodyne avec étage HF
- Gammes d'ondes
- Bandes en notes
- Tension / type courant
- Alimentation Courant Alternatif (CA) / 60 cycles, 117V = 110 -120 Volt
- Haut-parleur
- 2 HP / Ø 8 inch = 20.3 cm
- Matière
- Boitier en bois
- De Radiomuseum.org
- Modèle: 562 Ch= 156-RP - Setchell Carlson, Inc.; St.
- Forme
- Console avec pieds bas < 50% de la hauteur
- Remarques
-
Setchell-Carlson model 562 is a 21" b/w TV with US standard VHF tuner channels 2 thru 13. Equipped with chassis 156-RP, VHF tuner TD-30, AM receiver , record player and picture tube 21ATP4.
- Schémathèque (1)
- Photofact Folder, Howard W. SAMS (Set 320 Folder 13 dated 6-56)
- Auteur
- Modèle crée par Dirk Taekels. Voir les propositions de modification pour les contributeurs supplémentaires.
- D'autres Modèles
-
Vous pourrez trouver sous ce lien 131 modèles d'appareils, 73 avec des images et 110 avec des schémas.
Tous les appareils de Setchell Carlson, Inc.; St.Paul (MN)