- Country
- Italy
- Manufacturer / Brand
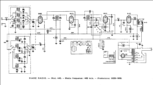
- SIARE (-Crosley); Piacenza
- Year
- 1938/1939
- Category
- Broadcast Receiver - or past WW2 Tuner
- Radiomuseum.org ID
- 99651
Click on the schematic thumbnail to request the schematic as a free document.
- Number of Tubes
- 5
- Main principle
- Superheterodyne (common); ZF/IF 468 kHz
- Wave bands
- Broadcast, Long Wave and 2 x Short Wave.
- Power type and voltage
- Alternating Current supply (AC) / 110; 125; 140; 160; 220; 275 Volt
- Loudspeaker
- Electro Magnetic Dynamic LS (moving-coil with field excitation coil)
- Material
- Wooden case
- from Radiomuseum.org
- Model: 445A - SIARE -Crosley; Piacenza
- Shape
- Tablemodel without push buttons, Mantel/Midget/Compact up to 14
- Notes
- Serie Autocommutatore.
- Price in first year of sale
- 1,447.00 ITL
- Source of data
- Guida Pratica Antique Radio II (2000)
- Literature/Schematics (1)
- -- Schematic
- Other Models
-
Here you find 121 models, 71 with images and 94 with schematics for wireless sets etc. In French: TSF for Télégraphie sans fil.
All listed radios etc. from SIARE (-Crosley); Piacenza
Collections
The model is part of the collections of the following members.