- Hersteller / Marke
- Siemens (& Halske, -Schuckert Werke SSW, Electrogeräte); Berlin, München
- Jahr
- 1936–1938
- Kategorie
- Rundfunkempfänger (Radio - oder Tuner nach WW2)
- Radiomuseum.org ID
- 5344
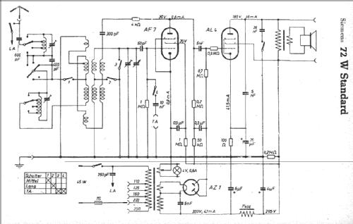
Klicken Sie auf den Schaltplanausschnitt, um diesen kostenlos als Dokument anzufordern.
- Anzahl Röhren
- 3
- Hauptprinzip
- Geradeaus oder Audion mit Rückkopplung; 1 NF-Stufe(n)
- Anzahl Kreise
- 1 Kreis(e) AM
- Wellenbereiche
- Langwelle, Mittelwelle (LW+MW).
- Betriebsart / Volt
- Wechselstromspeisung / 110-240 Volt
- Lautsprecher
- Dynamischer LS, mit Erregerspule (elektrodynamisch)
- Material
- Bakelit (Pressstoff)
Die GFGF Zeitschrift Funkgeschichte bringt interessante Artikel zu Radios, Funkwesen und Medien. Bei Radiomuseum.org finden Sie die vollständigen Hefte früherer Ausgaben als PDF zum Download.
- von Radiomuseum.org
- Modell: Standard 72W - Siemens & Halske, -Schuckert
- Form
- Tischgerät, Hochformat (höher als quadratisch, schlicht, keine Kathedrale).
- Abmessungen (BHT)
- 350 x 435 x 245 mm / 13.8 x 17.1 x 9.6 inch
- Bemerkung
-
Chassis wie im Telefunken 713W.
- Originalpreis
- 165.00 RM
- Datenherkunft
- HandB.d.d.Rundfunk-Handels 1936/37 / Radiokatalog Band 1, Ernst Erb
- Schaltungsnachweis
- Lange+Schenk+FS-Röhrenbestückung
- Literatur/Schema (1)
- -- Original-techn. papers.
- Weitere Modelle
-
Hier finden Sie 2543 Modelle, davon 2154 mit Bildern und 1347 mit Schaltbildern.
Alle gelisteten Radios usw. von Siemens (& Halske, -Schuckert Werke SSW, Electrogeräte); Berlin, München
Sammlungen
Das Modell Standard befindet sich in den Sammlungen folgender Mitglieder.