• Jahr
  • 1948–1950
  • Kategorie
  • Rundfunkempfänger (Radio - oder Tuner nach WW2)
  • Radiomuseum.org ID
  • 5265

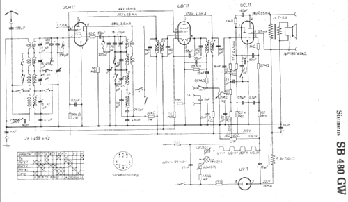
Klicken Sie auf den Schaltplanausschnitt, um diesen kostenlos als Dokument anzufordern.

 Technische Daten

  • Anzahl Röhren
  • 4
  • Anzahl Transistoren
  • Hauptprinzip
  • Superhet allgemein; ZF/IF 468 kHz
  • Anzahl Kreise
  • 6 Kreis(e) AM
  • Wellenbereiche
  • Langwelle, Mittelwelle und zwei mal Kurzwelle.
  • Betriebsart / Volt
  • Allstromgerät / 220 Volt
  • Lautsprecher
  • Dynamischer LS, keine Erregerspule (permanentdynamisch) / Ø 18 cm = 7.1 inch
  • Material
  • Gerät mit Holzgehäuse

Die GFGF Zeitschrift Funkgeschichte bringt interessante Artikel zu Radios, Funkwesen und Medien. Bei Radiomuseum.org finden Sie die vollständigen Hefte früherer Ausgaben als PDF zum Download.

  • von Radiomuseum.org
  • Modell: Super SB480GW - Siemens & Halske, -Schuckert
  • Abmessungen (BHT)
  • 385 x 305 x 215 mm / 15.2 x 12 x 8.5 inch
  • Bemerkung
  • Bln; [639388]
  • Nettogewicht
  • 8 kg / 17 lb 9.9 oz (17.621 lb)
  • Originalpreis
  • 325.00 DM
  • Schaltungsnachweis
  • Lange-Nowisch

 Sammlungen | Museen | Literatur

Sammlungen

Das Modell Super befindet sich in den Sammlungen folgender Mitglieder.

 Forum

Forumsbeiträge zum Modell: Siemens & Halske, -: Super SB480GW

Threads: 1 | Posts: 1

Bei jedem "neuen" alten Gerät stellt sich die Frage, wie restaurieren. Das wird jeder individuell nach seiner Philosophie und seinen Möglichkeiten entscheiden.

Ich möchte hier eine der Möglichkeiten zeigen.

Der Siemens SB480GW, den ich von einem befreundeten Sammlerkollegen bekam, war in einem sehr schlechten Zustand. Auf der Oberseite waren sehr starke Kalkablagerungen (Blumentopfradio), der Lautsprecherstoff war stark verschmutzt und verschlissen, ein Gehäusefuß fehlte, die Netzzuleitung war abgeschnitten und die Innereien von starken Spinnweben und Staub überzogen. Das Skalenseil war gerissen, der Skalenzeiger fehlte. Zudem musste das Gerät auch im Wasser gestanden haben. Die im Gehäuseboden eingeklebte Abgleichanweisung sah entsprechend aus. Außerdem waren die Knöpfe nicht original. Die grobe Überprüfung der Elektrik (ohne das komplette Gerät an Spannung zu legen) ergab nicht mehr zu formierende Elkos, Elektrodenschluss der UCL11 zwischen G1 und G2, zu niedrige Isolationswiderstände aller Wickelkondensatoren, abgerissene Spulendrähte, defekter Netzschalter, zwei Widerstände durchgebrannt.

Bei solch einem Befund sagt man mir oft: "Das lohnt sich doch bei so einem Allerweltsgerät nicht". Ich sehe das etwas anders, denn sonst müsste ich mir ein anderes Hobby suchen.

Zunächst wurde versucht, die starken Kalkablagerungen vom Gehäuse zu entfernen. (Leider habe ich versäumt, das Gehäuse vorher zu fotografieren). Da die Gehäuseoberfläche Holzmaserstruktur hat, ist das etwas schwieriger, da der Kalk auch "in" der Oberfläche sitzt. Mit Stahlwolle Körnung 000 gelang das aber recht gut. Ein zweimaliges sparsames Abziehen der Oberfläche mit einem Ballen und Schellakpolitur ergab eine brauchbare "alte" Oberfläche. Der Lautsprecherbespannstof wurde gegen einen ähnlichen Stoff (alte Tischdecke, die auch schon bei der Schatulle H42 die Türbespannung lieferte) ausgetauscht.

Da nun das äußere Gesicht stimmte, wurde beschlossen, auch die Elektrik zu restaurieren/reparieren. Hier setzt auch der eigentliche Bericht an.

Ich halte nicht viel vom einseitigen Abhängen der Bauelemente und Darüberlöten von neuen. Erstens ist die Optik dahin und zweitens kann man Platzprobleme bekommen, manchmal auch elektrische. Deswegen wurden alle Wickelkondensatoren ausgeschmolzen und mit neuem Inhalt versehen. Da die meisten Kondensatoren aus mit Papier beklebten Glasröhrchen bestehen, musste entsprechend vorsichtig vorgegangen werden. Durch das Papier schied die Wassermethode aus. Mit der Mikrowelle habe ich noch keine Erfahrung (außerdem steht die nicht in der Werkstatt). Es blieb also nur die Methode mit der Heißluftpistole. Das Papier darf dabei natürlich nicht ansengen und das Glasröhrchen nicht springen. Früher habe ich die Röhrchen mit Silikon verschlossen. Da das aber längere Wartezeiten bedingt, verschließe ich die Röhrchen jetzt sofort wieder mit der alten u.U. noch weichen Vergussmasse. Die schmutzigen Finger muss man in Kauf nehmen, mit Benzin lassen sich Reste leicht entfernen.

Die Anschlussdrähte der Antennenspule vom 1. KW-Bereich waren abgerissen. Der Draht dieser Spulen ist extrem dünn und wenn man den Anfang nicht findet, hat man keine Chance das zu reparieren. Abhilfe schaffte hier eine alte Spule mit etwas größerem Durchmesser, die über die defekte Spule geschoben werden konnte.

Die Bilder zeigen den Zustand vorher (nach Reinigung) und nachher.

vorher

nachher

 

Hier noch eine Detailansicht:

 Unterschiede sind bis auf die nun blanken Lötstellen kaum zu erkennen.

Ein Pusselspiel war noch das Skalenseil. Da kein Seillaufplan vorhanden, musste geraten werden. Zunächst sah alles ganz einfach aus, aber der Teufel steckt bekanntlich im Detail. Da auf der Modellseite kein Seillaufplan vorhanden ist, hier ein Bild meiner Lösung:

Man erkennt hier auch die mit neuem Inhalt versehenen Elkos. Das Gerät spielt bereits ohne Neuabgleich recht gut. Es gibt lediglich noch ein immer häufiger auftretendes Kontaktproblem am Wellenschalter im Mittelwellenbereich, das kann u.U. auch eine kalte Lötstelle sein.

Der Mittelwellenempfang setzte zum Schluss ganz aus. Der Fehler war eine angebrochene Kontaktfeder am Wellenschalter. Mit etwas Geduld konnte die Feder gelötet werden, so dass wieder ungetrübter MW-Empfang möglich ist.

Das Radio hat eine erstaunlich gute Wiedergabequalität, die man bei einem Gerät dieser Klasse und dieses Baujahres nicht erwarten würde. Ich habe da schon wesentlich schlechteres gehört.

Hans-Dieter Haase † 5.2.18, 07.Dec.08

Weitere Posts (1) zu diesem Thema.