SW Receiver Kit SM-635
Silver - Marshall; Chicago, IL
- Pays
- Etats-Unis
- Fabricant / Marque
- Silver - Marshall; Chicago, IL
- Année
- 1928
- Catégorie
- Boîte de construction (composants et manuel) ou instructions
- Radiomuseum.org ID
- 57914
Cliquez sur la vignette du schéma pour le demander en tant que document gratuit.
- No. de tubes
- 1
- Principe général
- Récepteur TRF - par réaction (régénératif)
- Circuits accordés
- 1 Circuits MA (AM)
- Gammes d'ondes
- OC uniquement
- Haut-parleur
- - - Pas de sortie basse fréquence
- Matière
- Matériaux divers
- De Radiomuseum.org
- Modèle: SW Receiver Kit SM-635 - Silver - Marshall; Chicago, IL
- Remarques
- Short Wave Receiver Kit.
- Prix de mise sur le marché
- 64.00 $
- Source extérieure
- Ernst Erb
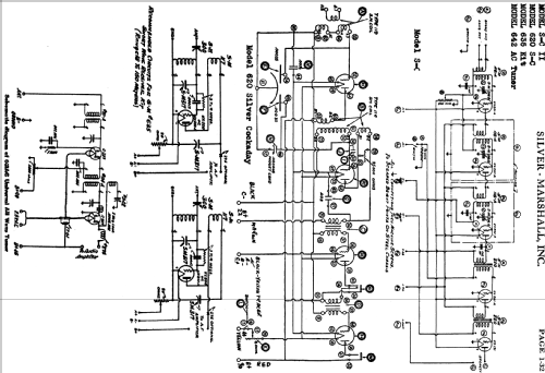
- Source du schéma
- Rider's Perpetual, Volume 1 = 1931/1934 (for 1919-1931)
- D'autres Modèles
-
Vous pourrez trouver sous ce lien 225 modèles d'appareils, 116 avec des images et 122 avec des schémas.
Tous les appareils de Silver - Marshall; Chicago, IL