- Country
- United States of America (USA)
- Manufacturer / Brand
- Stromberg-Carlson Co. ; Rochester (NY)
- Year
- 1937/1938
- Category
- Broadcast Receiver - or past WW2 Tuner
- Radiomuseum.org ID
- 62028
-
- Brand: Te-Lek-Tor-Et
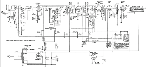
Click on the schematic thumbnail to request the schematic as a free document.
- Number of Tubes
- 7
- Main principle
- Superheterodyne (common); ZF/IF 465 kHz; 2 AF stage(s)
- Tuned circuits
- 6 AM circuit(s)
- Wave bands
- Broadcast, Short Wave(s) and Police.
- Details
- Record Player (perh.Changer)
- Power type and voltage
- Alternating Current supply (AC) / 105-125 Volt
- Loudspeaker
- Electro Magnetic Dynamic LS (moving-coil with field excitation coil)
- Material
- Wooden case
- from Radiomuseum.org
- Model: 231-P - Stromberg-Carlson Co. ;
- Shape
- Console, Lowboy (legs < 50 %).
- Notes
- BC (530-1700 kHz), TROP (1700-5600 kHz) and SW (5.6-18.0 MHz) bands. Tuning eye. For 60 Hz AC only. 6 short legs
- External source of data
- Ernst Erb
- Source of data
- The Radio Collector's Directory and Price Guide 1921 - 1965
- Circuit diagram reference
- Rider's Perpetual, Volume 8 = 1937 and before
- Mentioned in
- Collector's Guide to Antique Radios (6th edition) (Rider's 8-31, 8-32, 8-34 to 8-36)
- Literature/Schematics (1)
- Radio Retailing (Radio & Television R.) (December 1937. June 1937.)
- Literature/Schematics (2)
- Pre-War Consoles
- Other Models
-
Here you find 886 models, 497 with images and 762 with schematics for wireless sets etc. In French: TSF for Télégraphie sans fil.
All listed radios etc. from Stromberg-Carlson Co. ; Rochester (NY)