- País
- Estados Unidos
- Fabricante / Marca
- Stromberg-Carlson Co. ; Rochester (NY)
- Año
- 1940/1941
- Categoría
- Radio - o Sintonizador pasado WW2
- Radiomuseum.org ID
- 170630
-
- Brand: Te-Lek-Tor-Et
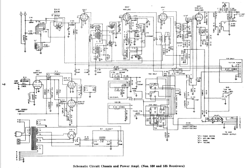
Haga clic en la miniatura esquemática para solicitarlo como documento gratuito.
- Numero de valvulas
- 9
- Principio principal
- Superheterodino con paso previo de RF; ZF/IF 455 kHz; 3 Etapas de AF
- Número de circuitos sintonía
- 7 Circuíto(s) AM
- Gama de ondas
- OM, OC y banda Pesquera (policia USA)
- Especialidades
- Tocadiscos-autom o no-no sabemos
- Tensión de funcionamiento
- Red: Corriente alterna (CA, Inglés = AC) / 105-125 Volt
- Altavoz
- Altavoz electrodinámico (bobina de campo)
- Material
- Madera
- de Radiomuseum.org
- Modelo: 530-PL - Stromberg-Carlson Co. ;
- Forma
- Consola con botonera.
- Ancho, altura, profundidad
- 34.75 x 34 x 18.25 inch / 883 x 864 x 464 mm
- Anotaciones
-
BC (540-1600 kHz), TROP (1600-3600 kHz) and SW (5.7-18.0 MHz) bands. Six station buttons, tuning eye, push-pull audio amplifer. P models with record changer. 530-PL for 60 Hz AC.
- Procedencia de los datos
- Pre-War Consoles
- Referencia esquema
- Rider's Perpetual, Volume 12 = ca. 1941 and before
- Mencionado en
- Rider's 12-1, 12-13 to 12-15, 12-18 to 12-20
- Autor
- Modelo creado por Götz Linss † 27.06.21. Ver en "Modificar Ficha" los participantes posteriores.
- Otros modelos
-
Donde encontrará 885 modelos, 497 con imágenes y 761 con esquemas.
Ir al listado general de Stromberg-Carlson Co. ; Rochester (NY)