Custom Stereo Amplifier CSA-1
Stromberg-Carlson Co. ; Rochester (NY)
- Country
- United States of America (USA)
- Manufacturer / Brand
- Stromberg-Carlson Co. ; Rochester (NY)
- Year
- 1959
- Category
- Audio Amplifier or -mixer
- Radiomuseum.org ID
- 151092
-
- Brand: Te-Lek-Tor-Et
Click on the schematic thumbnail to request the schematic as a free document.
- Number of Tubes
- 4
- Main principle
- Audio-Amplification
- Wave bands
- - without
- Power type and voltage
- Alternating Current supply (AC) / 117 Volt
- Loudspeaker
- - This model requires external speaker(s).
- Material
- Metal case
- from Radiomuseum.org
- Model: Custom Stereo Amplifier CSA-1 - Stromberg-Carlson Co. ;
- Shape
- Chassis only or for «building in»
- Notes
-
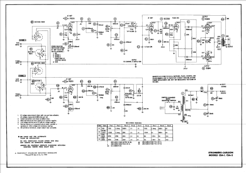
The Stromberg-Carlson model CSA-1 is a stereo Preamp + a mono Power amp. For stereo playback another mono amplifier is required.
- Literature/Schematics (1)
- Photofact Folder, Howard W. SAMS (Date 10-59, Set 460, Folder 20)
- Author
- Model page created by Egon Penker. See "Data change" for further contributors.
- Other Models
-
Here you find 886 models, 497 with images and 762 with schematics for wireless sets etc. In French: TSF for Télégraphie sans fil.
All listed radios etc. from Stromberg-Carlson Co. ; Rochester (NY)