Revox Digital Synthesizer FM Tuner B760

Studer GmbH, Willi (ReVox); Löffingen

  • Jahr
  • 1977–1982
  • Kategorie
  • Rundfunkempfänger (Radio - oder Tuner nach WW2)
  • Radiomuseum.org ID
  • 74926
    • Marke: ReVox (brand)

Klicken Sie auf den Schaltplanausschnitt, um diesen kostenlos als Dokument anzufordern.

 Technische Daten

  • Anzahl Transistoren
  • 63
  • Halbleiter
  • Hauptprinzip
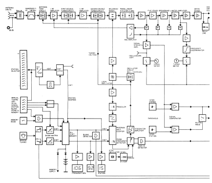
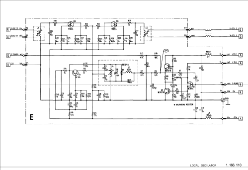
  • PLL, Phase-locked loop (Phasenregelschleife); ZF/IF 11000 kHz
  • Anzahl Kreise
  • 19 Kreis(e) FM
  • Wellenbereiche
  • UKW-Gerät bzw. FM (keine weiteren Bänder).
  • Betriebsart / Volt
  • Wechselstromspeisung / 100; 120; 140; 200; 220; 240 & for memory backup AA: 3 x 1.5 Volt
  • Lautsprecher
  • - Für Kopfhörer oder NF-Verstärker
  • Material
  • Diverses Material

Die GFGF Zeitschrift Funkgeschichte bringt interessante Artikel zu Radios, Funkwesen und Medien. Bei Radiomuseum.org finden Sie die vollständigen Hefte früherer Ausgaben als PDF zum Download.

  • von Radiomuseum.org
  • Modell: Revox Digital Synthesizer FM Tuner B760 - Studer GmbH, Willi ReVox;
  • Form
  • Regalgerät wie HiFi-Komponente für Bücherwand.
  • Abmessungen (BHT)
  • 452 x 151 x 348 mm / 17.8 x 5.9 x 13.7 inch
  • Bemerkung
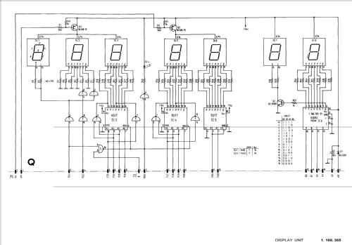
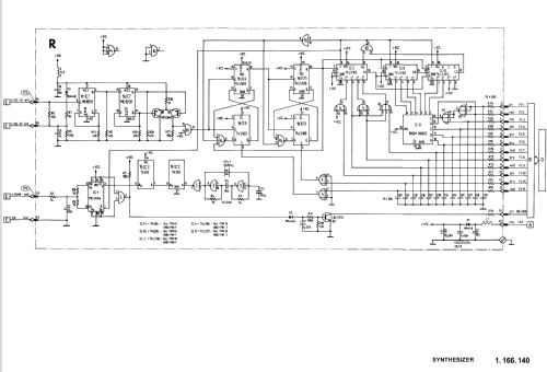
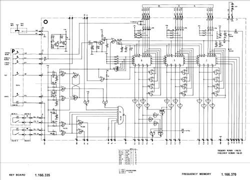
  • Stereo-Synthesizer-Tuner, Empfangsbereich 87,00 - 107,975 MHz. Handabstimmung magnetisch gerastet über Drehschalter mit Diodenmatrix in 50 kHz-Schritten, mit zuschaltbarem 25 kHz-Versatz. 15 Senderspeicher im 25 kHz Raster mit MOS-Speicher (flüchtig, zum Datenerhalt sind 3 AA-Zellen erforderlich), digitale Frequenzanzeige.

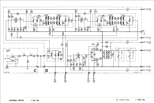
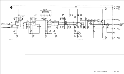
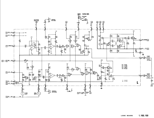
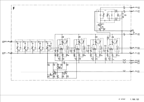
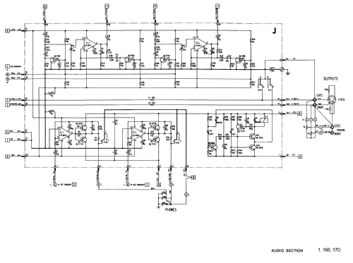
    RF-Front-end mit Bandpass im Antenneneingang, 6 abgestimmte Kreise, doppelte HF-Vorstufe mit Dual-gate MOS-FETs. Symmetrischer Mischer, ZF-Selektion mit 8-Kreis-Gauss-Filter. 5-stufiger ZF-Verstärker mit Breitband-Kopplung über Einzelkreise, Treiberstufe mit koaxialem Laufzeit-FM-Demodulator. "Diskret" aufgebauter PLL-Stereo-Decoder.

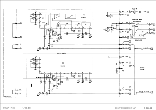
    Vorbereitet zum Einbau eines FM-Dolby-Zusatzes. Deemphasis 50/75 µs umschaltbar, mit Dolby 25 µs.

    65 IC's, 192 Dioden. Preis von 1982.

  • Nettogewicht
  • 12 kg / 26 lb 6.9 oz (26.432 lb)
  • Originalpreis
  • 2,210.00 SFr
  • Datenherkunft extern
  • P. Holenstein; HiFi-Jahrbuch 9
  • Datenherkunft
  • Radiokatalog Band 2, Ernst Erb
  • Literaturnachweis
  • -- Original-techn. papers.
  • Autor
  • Modellseite von Lars Brötje angelegt. Siehe bei "Änderungsvorschlag" für weitere Mitarbeit.

 Sammlungen | Museen | Literatur

Sammlungen

Das Modell Revox Digital Synthesizer FM Tuner befindet sich in den Sammlungen folgender Mitglieder.

Museen

Das Modell Revox Digital Synthesizer FM Tuner ist in den folgenden Museen zu sehen.

 Forum

Forumsbeiträge zum Modell: Studer GmbH, Willi: Revox Digital Synthesizer FM Tuner B760

Threads: 1 | Posts: 3

Wer kann mir bitte sagen wie schwierig es ist bei dem Modell sowas zu beheben: - Analoge Instrumente bewegen sich nicht . - die Power On Lampe und die Kontrolllampen leuchten nich. Vielen Dank

Eckhard Wegner, 10.Jun.22

Weitere Posts (3) zu diesem Thema.