121W (hoch)
Telefunken; Wien
- Country
- Austria
- Manufacturer / Brand
- Telefunken; Wien
- Year
- 1931
- Category
- Broadcast Receiver - or past WW2 Tuner
- Radiomuseum.org ID
- 10866
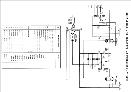
Click on the schematic thumbnail to request the schematic as a free document.
- Number of Tubes
- 3
- Main principle
- TRF without regeneration
- Wave bands
- Broadcast (MW) and Long Wave.
- Power type and voltage
- Alternating Current supply (AC)
- Loudspeaker
- -Loudspeaker incorporated, but system not known.
- Material
- Wooden case
- from Radiomuseum.org
- Model: 121W - Telefunken; Wien
- Shape
- Tablemodel, high profile (upright - NOT Cathedral nor decorative).
- External source of data
- E. Erb 3-907007-36-0
- Source of data
- Radiokatalog Band 2, Ernst Erb
- Picture reference
- Das Modell ist im «Radiokatalog» (Erb) abgebildet.
- Other Models
-
Here you find 111 models, 96 with images and 81 with schematics for wireless sets etc. In French: TSF for Télégraphie sans fil.
All listed radios etc. from Telefunken; Wien