- País
- Alemania
- Fabricante / Marca
- Telefunken Deutschland (TFK), (Gesellschaft für drahtlose Telegraphie Telefunken mbH
- Año
- 1941–1944
- Categoría
- Radio - o Sintonizador pasado WW2
- Radiomuseum.org ID
- 4185
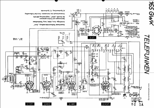
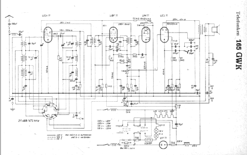
Haga clic en la miniatura esquemática para solicitarlo como documento gratuito.
- Numero de valvulas
- 5
- Principio principal
- Superheterodino en general; ZF/IF 468 kHz
- Número de circuitos sintonía
- 6 Circuíto(s) AM
- Gama de ondas
- OM, OL y OC
- Tensión de funcionamiento
- Red: Aparato AC/DC. / 110-220 Volt
- Altavoz
- Altavoz dinámico (lo más seguro)
- Material
- Madera
- de Radiomuseum.org
- Modelo: 165GWK - Telefunken Deutschland TFK,
- Forma
- Sobremesa apaisado (tamaño grande).
- Ancho, altura, profundidad
- 515 x 370 x 240 mm / 20.3 x 14.6 x 9.4 inch
- Anotaciones
- Export
- Procedencia de los datos
- Radiokatalog Band 1, Ernst Erb
- Referencia esquema
- Lange+Schenk+FS-Röhrenbestückung
- Otros modelos
-
Donde encontrará 3580 modelos, 3167 con imágenes y 2126 con esquemas.
Ir al listado general de Telefunken Deutschland (TFK), (Gesellschaft für drahtlose Telegraphie Telefunken mbH
Colecciones
El modelo es parte de las colecciones de los siguientes miembros.