- Hersteller / Marke
- Telefunken Deutschland (TFK), (Gesellschaft für drahtlose Telegraphie Telefunken mbH
- Jahr
- 1969/1970
- Kategorie
- Rundfunkempfänger (Radio - oder Tuner nach WW2)
- Radiomuseum.org ID
- 3926
Klicken Sie auf den Schaltplanausschnitt, um diesen kostenlos als Dokument anzufordern.
- Anzahl Transistoren
- 5
- Hauptprinzip
- Superhet allgemein; ZF/IF 460/10700 kHz
- Anzahl Kreise
- 5 Kreis(e) AM 9 Kreis(e) FM
- Wellenbereiche
- Langwelle, Mittelwelle und UKW (FM).
- Betriebsart / Volt
- Trockenbatterien / 6 × 1,5 Volt
- Lautsprecher
- Dynamischer (permanent) Ovallautsprecher
- Belastbarkeit / Leistung
- 1 W (Qualität unbekannt)
- Material
- Plastikgehäuse (nicht Bakelit), Thermoplast
- von Radiomuseum.org
- Modell: banjo automatic 201 - Telefunken Deutschland TFK,
- Form
- Reisegerät > 20 cm (netzunabhängig betreibbar)
- Abmessungen (BHT)
- 250 x 150 x 75 mm / 9.8 x 5.9 x 3 inch
- Bemerkung
- Netzbetrieb mit zusätzlichem Netzteil möglich.
- Nettogewicht
- 1.7 kg / 3 lb 11.9 oz (3.744 lb)
- Datenherkunft
- Handbuch VDRG 1969/1970 / Radiokatalog Band 1, Ernst Erb
- Weitere Modelle
-
Hier finden Sie 3580 Modelle, davon 3167 mit Bildern und 2126 mit Schaltbildern.
Alle gelisteten Radios usw. von Telefunken Deutschland (TFK), (Gesellschaft für drahtlose Telegraphie Telefunken mbH
Sammlungen
Das Modell banjo automatic befindet sich in den Sammlungen folgender Mitglieder.
Forumsbeiträge zum Modell: Telefunken: banjo automatic 201
Threads: 1 | Posts: 1
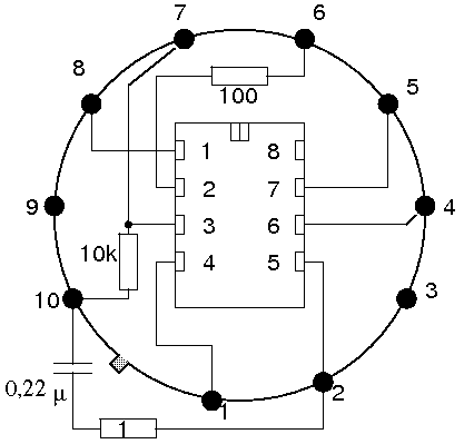
In vielen Geräten der Banjo-Serie von Telefunken wurde die Endstufe
durch die integrierte Schaltung TAA300 realisiert.
Da dieses Bauteil heute kaum noch zu vernüftigen Preisen zu bekommen ist,
habe ich nach einer Ersatzlösung gesucht. Mit dem Schaltkreis TBA820M habe ich
eine solche gefunden; dieser ist z.B bei reichelt.de für unter einem Euro zu haben
(dort gibt es auch ein Datenblatt zum download).
Mein Vorschlag (siehe Schaltbild) hat neben der Preiswürdigkeit noch den Vorteil,
dass er sehr leicht rückgängig zu machen ist. Die beiden Widerstände von
100 Ohm und 10 kOhm verlängern die Beinchen des IC, die anderen werden durch
ca. 2 cm lange Drahtstücke verlängert (teilweise isoliert). Das R/C-Glied habe ich
einfach auf der Lötseite der Platine angebracht (die Pins 1 und 10 des TAA300
liegen an Masse).
Auch im mehrstündigen normalen Betrieb bei größerer Lautstärke
erreicht die Oberflächentemperatur des TBA820M kaum 40 Grad.
Anlagen
- Schaltung mit TBA820M (4 KB)
Willi Kempter, 15.Aug.11