Berolina 2462 mattiert
Telefunken Deutschland (TFK), (Gesellschaft für drahtlose Telegraphie Telefunken mbH
- Country
- Germany
- Manufacturer / Brand
- Telefunken Deutschland (TFK), (Gesellschaft für drahtlose Telegraphie Telefunken mbH
- Year
- 1963/1964
- Category
- Broadcast Receiver - or past WW2 Tuner
- Radiomuseum.org ID
- 24996
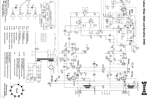
Click on the schematic thumbnail to request the schematic as a free document.
- Number of Tubes
- 6
- Main principle
- Superheterodyne (common)
- Tuned circuits
- 6 AM circuit(s) 10 FM circuit(s)
- Wave bands
- Broadcast, Long Wave, Short Wave plus FM or UHF.
- Details
- Record Player (perh.Changer)
- Power type and voltage
- Alternating Current supply (AC) / 110; 125; 220; 240 Volt
- Loudspeaker
- 2 Loudspeakers
- Material
- Wooden case
- from Radiomuseum.org
- Model: Berolina 2462 [mattiert] - Telefunken Deutschland TFK,
- Shape
- Console with Push Buttons.
- Dimensions (WHD)
- 900 x 720 x 365 mm / 35.4 x 28.3 x 14.4 inch
- Notes
- Rundfunk-Chassis = Allegro 2460, Stereo-NF-Verstärker mit 2 Endstufen je 3,5 W. Baugleich mit AEG Berolina 2462.
- Net weight (2.2 lb = 1 kg)
- 28 kg / 61 lb 10.8 oz (61.674 lb)
- Price in first year of sale
- 821.00 DM
- External source of data
- Erb
- Source of data
- Handbuch VDRG 1963/1964
- Other Models
-
Here you find 3580 models, 3167 with images and 2126 with schematics for wireless sets etc. In French: TSF for Télégraphie sans fil.
All listed radios etc. from Telefunken Deutschland (TFK), (Gesellschaft für drahtlose Telegraphie Telefunken mbH