- Paese
- Germania
- Produttore / Marca
- Telefunken Deutschland (TFK), (Gesellschaft für drahtlose Telegraphie Telefunken mbH
- Anno
- 1979
- Categoria
- Radio (o sintonizzatore del dopoguerra WW2)
- Radiomuseum.org ID
- 91564
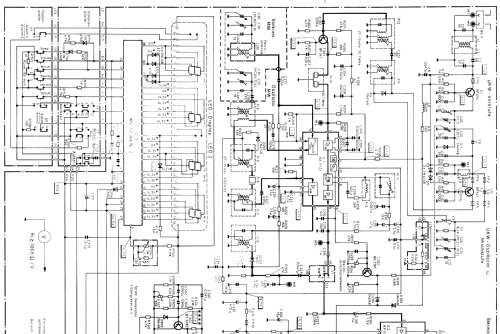
Clicca sulla miniatura dello schema per richiederlo come documento gratuito.
- Numero di transistor
- 8
- Principio generale
- Supereterodina (in generale); ZF/IF 460/10700 kHz
- N. di circuiti accordati
- 6 Circuiti Mod. Amp. (AM) 7 Circuiti Mod. Freq. (FM)
- Gamme d'onda
- Onde medie (OM) e MF (FM).
- Tensioni di funzionamento
- Rete / Batterie (ogni tipo) / 220; (2 × 9) Volt
- Altoparlante
- AP magnetodinamico (magnete permanente e bobina mobile) / Ø 10 cm = 3.9 inch
- Potenza d'uscita
- 4 W (max.)
- Materiali
- Plastica (non bachelite o catalina)
- Radiomuseum.org
- Modello: Digitale 700 Stereo - Telefunken Deutschland TFK,
- Forma
- Soprammobile con orologio (radio-orologio, radiosveglia).
- Dimensioni (LxAxP)
- 330 x 75 x 195 mm / 13 x 3 x 7.7 inch
- Annotazioni
-
ICs: HA11123, BA1320, TBA820, TBA820, MK50366.
Siehe auch Telefunken Digitale 750 Stereo mit zusätzlichem LW-Bereich.
- Peso netto
- 2.2 kg / 4 lb 13.5 oz (4.846 lb)
- Prezzo nel primo anno
- 286.00 DM
- Letteratura / Schemi (1)
- -- Original-techn. papers.
- Autore
- Modello inviato da Bernd Pötzsch. Utilizzare "Proponi modifica" per inviare ulteriori dati.
- Altri modelli
-
In questo link sono elencati 3580 modelli, di cui 3167 con immagini e 2126 con schemi.
Elenco delle radio e altri apparecchi della Telefunken Deutschland (TFK), (Gesellschaft für drahtlose Telegraphie Telefunken mbH
Collezioni
Il modello Digitale fa parte delle collezioni dei seguenti membri.