- Country
- Germany
- Manufacturer / Brand
- Telefunken Deutschland (TFK), (Gesellschaft für drahtlose Telegraphie Telefunken mbH
- Year
- 1954–1956
- Category
- Broadcast Receiver - or past WW2 Tuner
- Radiomuseum.org ID
- 4022
Click on the schematic thumbnail to request the schematic as a free document.
- Number of Tubes
- 5
- Number of Transistors
- Semiconductors
- B250C30
- Main principle
- Superheterodyne (common); ZF/IF 460/10700 kHz
- Tuned circuits
- 6 AM circuit(s) 9 FM circuit(s)
- Wave bands
- Broadcast, Long Wave and FM or UHF.
- Power type and voltage
- Alternating Current supply (AC) / 110; 125; 150; 220; 240 Volt
- Loudspeaker
- Permanent Magnet Dynamic (PDyn) Loudspeaker (moving coil) / Ø 13 cm = 5.1 inch
- Power out
- 2.5 W (unknown quality)
- Material
- Wooden case
- from Radiomuseum.org
- Model: Jubilate 55 - Telefunken Deutschland TFK,
- Shape
- Tablemodel with Push Buttons.
- Dimensions (WHD)
- 320 x 240 x 180 mm / 12.6 x 9.4 x 7.1 inch
- Notes
-
Eingebaute Ferritantenne für MW und LW.
- Net weight (2.2 lb = 1 kg)
- 5 kg / 11 lb 0.2 oz (11.013 lb)
- Price in first year of sale
- 259.00 DM
- Source of data
- HdB d.Rdf-& Ferns-GrH 1955/56 / Radiokatalog Band 1, Ernst Erb
- Literature/Schematics (1)
- -- Original-techn. papers.
- Other Models
-
Here you find 3582 models, 3169 with images and 2126 with schematics for wireless sets etc. In French: TSF for Télégraphie sans fil.
All listed radios etc. from Telefunken Deutschland (TFK), (Gesellschaft für drahtlose Telegraphie Telefunken mbH
Collections
The model Jubilate is part of the collections of the following members.
Forum contributions about this model: Telefunken: Jubilate 55
Threads: 1 | Posts: 1
Der UKW-Empfang setzt immer wieder aus - "kannst Du vielleicht mal nachschauen, was die Ursache dafür ist?"
Nun, nach 62 Jahren kann das an allem Möglichen liegen. "Hauptverdächtige" sind dabei das Tastenaggregat und die Trimmer in der UKW-Box, speziell der Oszillator-Trimmer. Wie nach so langer Zeit üblich, sind die Silberbeläge der keramischen Trimmer schwarz geworden.
Nach der Behandlung des Tastenaggregates mit "Oszillin" spielte das Radio bei mir klaglos über längere Zeit. Ja, aber nach der Rückgabe "wollte es nicht mehr so richtig". Nachdem es zunächst "keinen Muks mehr" machte, ließ der Bekannte das Radio über Nacht (!) eingeschaltet - und oh Wunder, am nächsten Morgen spielte es wieder. Aber beim nächsten Einschalten ging es nicht mehr.
Solche sporadischen Fehler kommen durchaus vor, wenn ein Trimmer fehlerhaft geworden ist. (Aber leider war das eine falsche Fährte!)
Die UKW-Box wurde ausgebaut und näher untersucht. Die dabei gemachten Bilder sind sicher trotzdem von Interesse.
Zunächst ein Blick auf das ausgebaute Chassis:

Zur Verdeutlichung das Bild des Chassis aus der Werkstattanleitung:

Der Trimmer "Tr. A" ist der Oszillator-Trimmer - und damit "höchst verdächtig", zumal sein Silberbelag fleckig (teilweise schwarz) war.
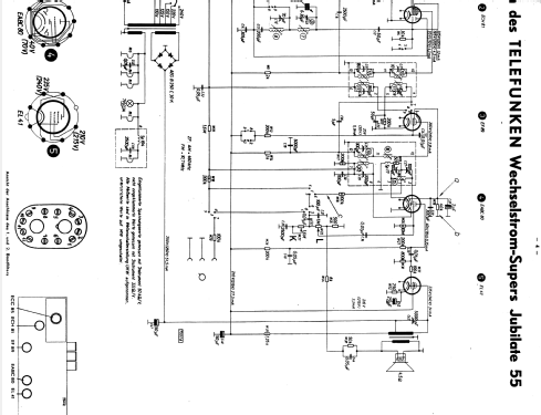
Hier ein Schaltungs-Ausschnitt, der die "UKW-Box" zeigt.

Bei dieser "frühen" Box läßt sich nicht allzu vieles abgleichen, insbesondere ist die Neutralisation hier nicht abgleichbar.
Die ausgebaute Box ist hier zu sehen:

Links ist der Trimmer des Oszillators mit seinem fleckigen Silberbelag zu sehen.
Beim Chassis ohne die UKW-Box ist deren Befestigung gut erkennbar: Die Löcher, die aussehen wie Aussparungen für Schließzylinder, gestatten es, die Schrauben an der Unterseite der Box etwas einzudrehen. Dann kann die Box so "eingerastet" werden. So wird vermieden, daß das Eindrehen der Befestigungs-Schrauben zur "Geduldsprobe" wird.
Das Skalenrad für die UKW-Abstimmung ist mit einer Achse fixiert, so daß beim Wiedereinbau der Box das Seil nicht extra aufgezogen werden muß.

Mit Hilfe eines Netzgerätes für Heizung und Anodenspannung kann die Box betrieben werden - hier um den Oszillator zu überprüfen.

Die Tastspitze, die "locker" aufliegt, gehört zu einem Specki, mit dessen Hilfe das Oszillator-Signal kontrolliert wird. Der Oszillator läßt sich von 96,5 MHz bis 112,75 MHz "rauf und runter" durchstimmen, ohne daß es zu Aussetzern kommt. Auch ein Verdrehen des Trimmers "A" bewirkt keine Aussetzer. Nanu? War das doch eine "falsche Fährte"?
Nun wird am Netzgerät die Anodenspannung für die Box variiert: 200V, 180V, 160V, 140V.
Und siehe da: Schon bei 160V, aber stärker noch bei 140V zeigt sich ein "Schwingloch" zwischen 98,3 MHz und 103,75 MHz.
Die Neutralisations-Brücke ist bei dieser UKW "fest" abgeglichen und kann nicht nachgeglichen werden. In dem Bereich des "Schwinglochs" werden dabei so viele Verluste aus der Vorstufe in den Oszillator "hineintransformiert", daß hier die Schwingung des Oszillators aussetzt.
Bei geringerer Anodenspannung hat die ECC85 eine geringere Steilheit, die dann nicht mehr zum Anschwingen reicht. Siehe hierzu den Thread von Hans Knoll. Ein Spannungs-Impuls kann bewirken, daß sie anschwingt. Zum "Schwingen" genügt dann eine geringere Steilheit.
Im Datenblatt für die ECC85 sind diese beiden Arbeitspunkte markiert. Gemäß Schaltbild sollte die Anodenspannung für die Mischtriode der ECC85 bei 110V liegen.

Na, dann wollen wir mal das Chassis (ohne UKW-Box) in Betrieb nehmen und die Anodenspannung messen. Es konnten dabei nur 146V (statt 215V laut Schaltplan) gemessen werden. Folglich erhält die Mischtriode der ECC85 viel weniger als die nominellen 110V.
Wenn die Anodenspannung (wie im aktuellen Fall) gerade mal höchstens "an der unteren Grenze" ist, ergibt sich ein "sporadisches" Verhalten des Oszillators.
Damit ist der "wahre Schuldige" gefunden: Es ist der Selengleichrichter, der für 30/50mA ausgelegt ist. Er wurde ersetzt durch eine Si-Brücke B300/C600 mit einem Vorwiderstand von 820Ω, dieser in der +Leitung vor dem ersten Elko.

Der Selen-Gleichrichter liegt hier für das Foto nur noch lose an seinem ehemaligen Platz. Von der Si-Brücke kann man nur das "G" (AEG) lesen. Der Vorwiderstand ist der schwarze, im Bild vertikale.
Was sagt uns das? Auch, wenn ein Fehler "ganz offensichtlich" zu sein scheint, ist es empfehlenswert grundsätzlich systematisch vorzugehen und erst mal die Spannungen zu überprüfen. Das hätte hier eine Menge Arbeit erspart. Aber andererseits war der Blick in die UKW-Box durchaus von Interesse.


Im unteren Bild sind 2 Spulen aus Cu-Band zu sehen. Die linke mit dem schmaleren Band wird als KW-Lupe verwendet (aber nur bei Geräten, die KW haben).
MfG DR
Dietmar Rudolph † 6.1.22, 02.Aug.17