- Paese
- Germania
- Produttore / Marca
- Telefunken Deutschland (TFK), (Gesellschaft für drahtlose Telegraphie Telefunken mbH
- Anno
- 1977 ?
- Categoria
- Radio (o sintonizzatore del dopoguerra WW2)
- Radiomuseum.org ID
- 162046
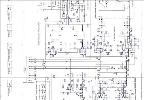
Clicca sulla miniatura dello schema per richiederlo come documento gratuito.
- Numero di transistor
- 33
- Semiconduttori
- 2SK19 or. 2SK55 2SC535 2SC1342 or. 2SC785 TA7614 HA1156W TA7122 2SC1815 2SA1015 2SA817 2SC1627 2SC790 2SA490 2SC1567 2SC1384 2SC1327 2SC828
- Principio generale
- Supereterodina (in generale); ZF/IF 460/10700 kHz
- N. di circuiti accordati
- 5 Circuiti Mod. Amp. (AM) 11 Circuiti Mod. Freq. (FM)
- Gamme d'onda
- Onde medie (OM), lunghe (OL), corte (OC) e MF (FM).
- Particolarità
- Altre combinaz. - vedere le nota
- Tensioni di funzionamento
- Alimentazione a corrente alternata (CA) / 220 Volt
- Altoparlante
- - Questo apparecchio richiede altoparlante/i esterno/i.
- Potenza d'uscita
- 40 W (60 W max.)
- Materiali
- Vari materiali
- Radiomuseum.org
- Modello: Music Center 3022 - Telefunken Deutschland TFK,
- Forma
- Soprammobile basso, con andamento orizzontale (grosse dimensioni).
- Dimensioni (LxAxP)
- 770 x 106 x 355 mm / 30.3 x 4.2 x 14 inch
- Annotazioni
- Halbleiter: nur einmal pro Typ;
4 IC; Musikleistung 2 x 30 Watt, 2 Lautsprecheranschlüsse 4 - 16 Ohm.
Plattenspieler und Kassettenrecorder.
- Bibliografia
- Original Telefunken Service Unterlagen
- Autore
- Modello inviato da Josef Pilz. Utilizzare "Proponi modifica" per inviare ulteriori dati.
- Altri modelli
-
In questo link sono elencati 3582 modelli, di cui 3169 con immagini e 2126 con schemi.
Elenco delle radio e altri apparecchi della Telefunken Deutschland (TFK), (Gesellschaft für drahtlose Telegraphie Telefunken mbH