Musikus 105VX m.Transistor
Telefunken Deutschland (TFK), (Gesellschaft für drahtlose Telegraphie Telefunken mbH
- Paese
- Germania
- Produttore / Marca
- Telefunken Deutschland (TFK), (Gesellschaft für drahtlose Telegraphie Telefunken mbH
- Anno
- 1967
- Categoria
- Registratore audio/video e/o riproduttore
- Radiomuseum.org ID
- 151693
Clicca sulla miniatura dello schema per richiederlo come documento gratuito.
- Numero di transistor
- 4
- Principio generale
- Amplificatore audio
- Gamme d'onda
- - senza
- Tensioni di funzionamento
- Alimentazione a corrente alternata (CA) / 220; 110 Volt
- Altoparlante
- AP magnetodinamico (magnete permanente e bobina mobile)
- Potenza d'uscita
- 4 W (qualità ignota)
- Radiomuseum.org
- Modello: Musikus 105VX [m.Transistor] - Telefunken Deutschland TFK,
- Dimensioni (LxAxP)
- 370 x 165 x 300 mm / 14.6 x 6.5 x 11.8 inch
- Annotazioni
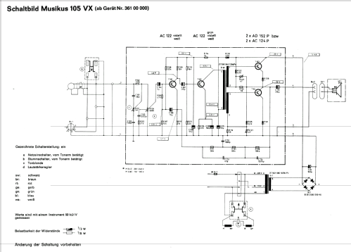
- In der Endstufe sind auch 2 x AD152P möglich. Geschwindigkeiten: 16 2/3, 33 1/3, 45 und 78 U/min
- Peso netto
- 4 kg / 8 lb 13 oz (8.811 lb)
- Fonte dei dati
- -- Schematic
- Autore
- Modello inviato da un iscritto da D. Utilizzare "Proponi modifica" per inviare ulteriori dati.
- Altri modelli
-
In questo link sono elencati 3580 modelli, di cui 3167 con immagini e 2126 con schemi.
Elenco delle radio e altri apparecchi della Telefunken Deutschland (TFK), (Gesellschaft für drahtlose Telegraphie Telefunken mbH
Collezioni
Il modello Musikus fa parte delle collezioni dei seguenti membri.