Ostmark-Super 339U (T339U)
Telefunken; Wien
- Paese
- Austria
- Produttore / Marca
- Telefunken; Wien
- Anno
- 1938/1939
- Categoria
- Radio (o sintonizzatore del dopoguerra WW2)
- Radiomuseum.org ID
- 10914
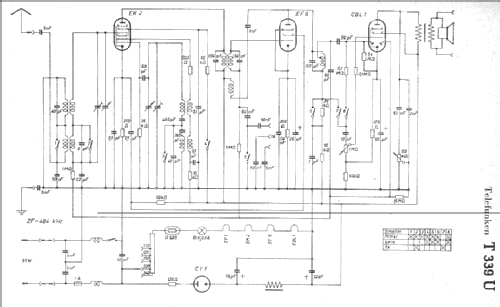
Clicca sulla miniatura dello schema per richiederlo come documento gratuito.
- Numero di tubi
- 4
- Principio generale
- Supereterodina (in generale); Supereterodina con reazione non regolabile
- N. di circuiti accordati
- 5 Circuiti Mod. Amp. (AM)
- Gamme d'onda
- Onde medie (OM) e onde lunghe (OL).
- Tensioni di funzionamento
- Alimentazione universale (doppia: CC/CA) / 110; 125; 150; 220; 240 Volt
- Altoparlante
- AP magnetodinamico (magnete permanente e bobina mobile)
- Materiali
- Mobile in legno
- Radiomuseum.org
- Modello: Ostmark-Super 339U - Telefunken; Wien
- Forma
- Soprammobile basso, con andamento orizzontale (grosse dimensioni).
- Dimensioni (LxAxP)
- 550 x 283 x 235 mm / 21.7 x 11.1 x 9.3 inch
- Annotazioni
-
Dieses Gerät besitzt keine Netztrennung. Bei solchen Geräten können Chassis und Buchsen etc. unter Netzspannung stehen, bei manchen auch, wenn es ausgeschaltet ist. Es besteht bei Berührung Lebensgefahr. Wir weisen nicht bei jedem solchen Modell darauf hin.
- Prezzo nel primo anno
- 200.00 RM
- Fonte esterna dei dati
- E. Erb 3-907007-36-0
- Fonte dei dati
- Radiokatalog Band 2, Ernst Erb
- Riferimenti schemi
- Lange + Schenk
- Letteratura / Schemi (1)
- -- Original-techn. papers.
- Bibliografia immagini
- Das Modell ist im «Radiokatalog» (Erb) abgebildet.
- Altri modelli
-
In questo link sono elencati 111 modelli, di cui 96 con immagini e 81 con schemi.
Elenco delle radio e altri apparecchi della Telefunken; Wien
Collezioni
Il modello Ostmark-Super fa parte delle collezioni dei seguenti membri.