- Country
- Germany
- Manufacturer / Brand
- Telefunken Deutschland (TFK), (Gesellschaft für drahtlose Telegraphie Telefunken mbH
- Year
- 1917 ?
- Category
- Service- or Lab Equipment
- Radiomuseum.org ID
- 152232
Click on the schematic thumbnail to request the schematic as a free document.
- Main principle
- Crystal or Solid State Detector; Crystal-detection 1 circuit (no tubes)
- Tuned circuits
- 1 AM circuit(s)
- Wave bands
- Broadcast (MW) and Long Wave.
- Power type and voltage
- Storage and/or dry batteries / 1,5 Volt
- Loudspeaker
- - - No sound reproduction output.
- Material
- Wooden case
- from Radiomuseum.org
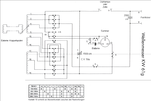
- Model: Wellenmesser KW61 - Telefunken Deutschland TFK,
- Shape
- Portable set > 8 inch (also usable without mains)
- Dimensions (WHD)
- 340 x 215 x 155 mm / 13.4 x 8.5 x 6.1 inch
- Notes
- Summererregter Wellenmesser mit den Bereichen 2800-7500m, 1000-2800m, 450-1000m, 150-450m. Mit dreipoligem Summer K.S. 72. Ankopplung über Suchspule, Anzeige durch Glühlämpchen, Wattzeiger oder mittels Zelle (Detektor) und Kopfhörer. Unter anderem Bestandteil des "F-Geräts" mit dem Empfänger E 225 und dem Sender A.R.S. 69.
- Net weight (2.2 lb = 1 kg)
- 6.2 kg / 13 lb 10.5 oz (13.656 lb)
- Source of data
- - - Data from my own collection
- Author
- Model page created by Nikolaus Löwe. See "Data change" for further contributors.
- Other Models
-
Here you find 3581 models, 3168 with images and 2126 with schematics for wireless sets etc. In French: TSF for Télégraphie sans fil.
All listed radios etc. from Telefunken Deutschland (TFK), (Gesellschaft für drahtlose Telegraphie Telefunken mbH
Collections
The model Wellenmesser is part of the collections of the following members.