Weltsuper 660GL/o (T660GL/o)
Telefunken; Wien
- Land
- Österreich / Austria
- Hersteller / Marke
- Telefunken; Wien
- Jahr
- 1933/1934
- Kategorie
- Rundfunkempfänger (Radio - oder Tuner nach WW2)
- Radiomuseum.org ID
- 10874
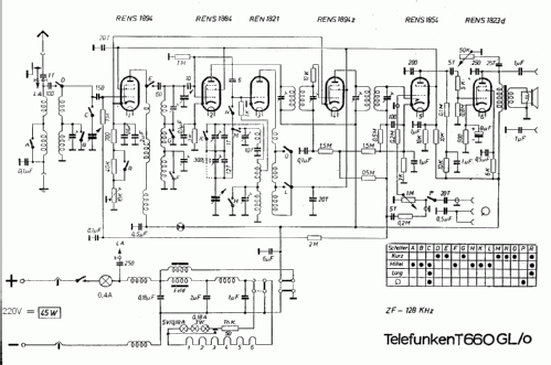
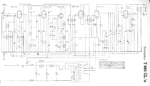
Klicken Sie auf den Schaltplanausschnitt, um diesen kostenlos als Dokument anzufordern.
- Anzahl Röhren
- 6
- Hauptprinzip
- Super mit HF-Vorstufe; ZF/IF 128 kHz
- Anzahl Kreise
- 7 Kreis(e) AM
- Wellenbereiche
- Langwelle, Mittelwelle und Kurzwelle.
- Betriebsart / Volt
- Gleichstromnetz-Gerät / 220 Volt
- Lautsprecher
- Dynamischer LS, mit Erregerspule (elektrodynamisch)
- Material
- Gerät mit Holzgehäuse
- von Radiomuseum.org
- Modell: Weltsuper 660GL/o - Telefunken; Wien
- Form
- Tischgerät, Hochformat (höher als quadratisch, schlicht, keine Kathedrale).
- Bemerkung
-
Feldstärkeanzeige mit Orthoskop.
- Originalpreis
- 720.00 öS
- Datenherkunft extern
- E. Erb 3-907007-36-0
- Datenherkunft
- Radiokatalog Band 2, Ernst Erb
- Schaltungsnachweis
- Lange + Schenk
- Weitere Modelle
-
Hier finden Sie 111 Modelle, davon 96 mit Bildern und 81 mit Schaltbildern.
Alle gelisteten Radios usw. von Telefunken; Wien
Sammlungen
Das Modell Weltsuper befindet sich in den Sammlungen folgender Mitglieder.