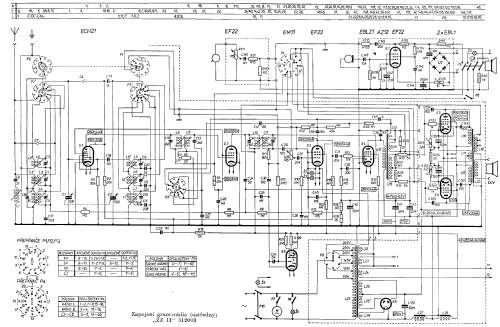
ZZ II (2) 512003
Tesla; Praha, Bratislava etc.
- Paese
- Tchécoslovaquie
- Produttore / Marca
- Tesla; Praha, Bratislava etc.
- Anno
- 1950
- Categoria
- Radio (o sintonizzatore del dopoguerra WW2)
- Radiomuseum.org ID
- 75202
-
- Brand: Supraphon
Clicca sulla miniatura dello schema per richiederlo come documento gratuito.
- Numero di tubi
- 9
- Principio generale
- Supereterodina (in generale); ZF/IF 468 kHz
- N. di circuiti accordati
- 6 Circuiti Mod. Amp. (AM)
- Gamme d'onda
- Onde medie (OM), lunghe (OL) e corte (OC).
- Particolarità
- Altri registratori/riproduttori
- Tensioni di funzionamento
- Alimentazione a corrente alternata (CA) / 110-245 Volt
- Altoparlante
- AP magnetodinamico (magnete permanente e bobina mobile) / Ø 20 cm = 7.9 inch
- Potenza d'uscita
- 8 W (qualità ignota)
- Materiali
- Mobile in legno
- Radiomuseum.org
- Modello: ZZ II 512003 - Tesla; Praha, Bratislava etc.
- Forma
- Soprammobile con qualsiasi forma (non saputo).
- Annotazioni
- Without main loudspeakers, the built in loudspeaker is for listening-in only.
- Autore
- Modello inviato da Gabriel Toth. Utilizzare "Proponi modifica" per inviare ulteriori dati.
- Altri modelli
-
In questo link sono elencati 1877 modelli, di cui 1203 con immagini e 689 con schemi.
Elenco delle radio e altri apparecchi della Tesla; Praha, Bratislava etc.