- Country
 - Japan
 
- Manufacturer / Brand
 - Kenwood, Trio-Kenwood Inc.; Komagane
 
- Year
 - 1967
 
- Category
 - Amateur TRX: Transmitter/Receiver (and Transceiver)
 
- Radiomuseum.org ID
 - 96913
 
- 
        
- alternative name: Trio Corp.
 - Brand: Jennen
 
 
Click on the schematic thumbnail to request the schematic as a free document.
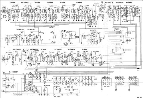
- Number of Tubes
 - 17
 
- Number of Transistors
 - 4
 
- Main principle
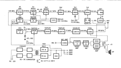
 - Superhet, double/triple conversion; ZF/IF 10700 kHz
 
- Wave bands
 - Wave Bands given in the notes.
 
- Power type and voltage
 - Alternating Current supply (AC) / 117; 220 Volt
 
- Loudspeaker
 - - For headphones or amp.
 
- Power out
 - 3 W (unknown quality)
 
- Material
 - Metal case
 
- from Radiomuseum.org
 - Model: TR-2E - Kenwood, Trio-Kenwood Inc.;
 
- Shape
 - Tablemodel, low profile (big size).
 
- Dimensions (WHD)
 - 300 x 150 x 320 mm / 11.8 x 5.9 x 12.6 inch
 
- Notes
 - VHF-AM-Transceiver (separate VFOs). Frequency range 144-148MHz. RX 2µV/10dB S/N; IFs 44~45MHz, 10.7MHz, 455kHz. TX 10w out.
 
- Net weight (2.2 lb = 1 kg)
 - 10 kg / 22 lb 0.4 oz (22.026 lb)
 
- Price in first year of sale
 - 930.00 DM
 
- Mentioned in
 - Funkschau (FS 1968 Heft 14)
 
- Author
 - Model page created by a member from A. See "Data change" for further contributors.
 
- Other Models
 - 
        
Here you find 905 models, 840 with images and 252 with schematics for wireless sets etc. In French: TSF for Télégraphie sans fil.
All listed radios etc. from Kenwood, Trio-Kenwood Inc.; Komagane