HF Transceiver TS-530S
Kenwood, Trio-Kenwood Inc.; Komagane
- Paese
- Giappone
- Produttore / Marca
- Kenwood, Trio-Kenwood Inc.; Komagane
- Anno
- 1978–1980 ??
- Categoria
- Ricevitore/trasmettitore amatoriale TRX (o ricetrasmettitore)
- Radiomuseum.org ID
- 81668
-
- alternative name: Trio Corp.
- Brand: Jennen
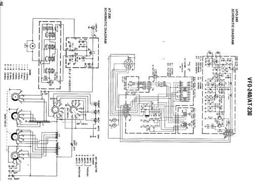
Clicca sulla miniatura dello schema per richiederlo come documento gratuito.
- Numero di tubi
- 3
- Numero di transistor
- 95
- Semiconduttori
- Principio generale
- Supereterodina con stadio RF; ZF/IF 8830 kHz
- Gamme d'onda
- Gamme d'onda nelle note.
- Tensioni di funzionamento
- Alimentazione a corrente alternata (CA) / 120-240 Volt
- Altoparlante
- AP magnetodinamico (magnete permanente e bobina mobile)
- Materiali
- Mobile di metallo
- Radiomuseum.org
- Modello: HF Transceiver TS-530S - Kenwood, Trio-Kenwood Inc.;
- Forma
- Soprammobile con pulsantiera/tastiera.
- Dimensioni (LxAxP)
- 333 x 133 x 333 mm / 13.1 x 5.2 x 13.1 inch
- Annotazioni
- ICs: 36
Kenwood HF-Transceiver TS-530S.
Coverage 160-10 m incl. WARC; Modes: SSB, CW; Final Power Input: 220 W PEP for SSB, 180 W DC for CW operation.
- Peso netto
- 12.8 kg / 28 lb 3.1 oz (28.194 lb)
- Fonte dei dati
- -- Original prospect or advert
- Autore
- Modello inviato da Hugo Sneyers. Utilizzare "Proponi modifica" per inviare ulteriori dati.
- Altri modelli
-
In questo link sono elencati 904 modelli, di cui 839 con immagini e 252 con schemi.
Elenco delle radio e altri apparecchi della Kenwood, Trio-Kenwood Inc.; Komagane