Universal
Uher Werke; München
- País
- Alemania
- Fabricante / Marca
- Uher Werke; München
- Año
- 1958–1961
- Categoría
- Registrador o reproductor de sonido o visual
- Radiomuseum.org ID
- 22923
Haga clic en la miniatura esquemática para solicitarlo como documento gratuito.
- Numero de valvulas
- 5
- Numero de transistores
- Principio principal
- Amplificador de Audio
- Gama de ondas
- - no hay
- Especialidades
- Grabadora de cinta; Remote Control (with wire or wireless)
- Tensión de funcionamiento
- Red: Corriente alterna (CA, Inglés = AC) / 110; 125; 160; 220; 240 Volt
- Altavoz
- Altavoz elíptico de imán permanente.
- Potencia de salida
- 3 W (unknown quality)
- de Radiomuseum.org
- Modelo: Universal - Uher Werke; München
- Forma
- Sobremesa apaisado (tamaño grande).
- Ancho, altura, profundidad
- 300 x 150 x 230 mm / 11.8 x 5.9 x 9.1 inch
- Anotaciones
-
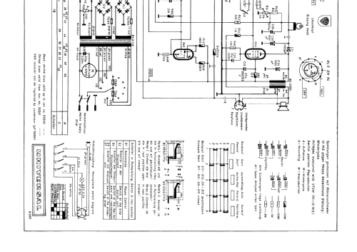
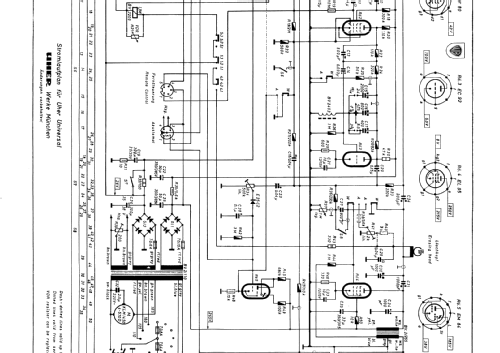
Zweispur; 2,4/4,75/9,5 cm/s. Spulen-Ø 13 cm.
5-Tasten-Steuerung mittels E-Magnete, daher Fernsteuerung über Hand- oder Fußschalter als Diktiergerät möglich.
- Peso neto
- 8 kg / 17 lb 9.9 oz (17.621 lb)
- Precio durante el primer año
- 579.00 DM
- Ext. procedencia de los datos
- Erb
- Procedencia de los datos
- HdB d.Rdf-& Ferns-GrH 1961/62 / Radiokatalog Band 2, Ernst Erb
- Mencionado en
- -- Schematic
- Documentación / Esquemas (1)
- Photofact Folder, Howard W. SAMS (Set 499 folder 16 date 9-60)
- Otros modelos
-
Donde encontrará 344 modelos, 317 con imágenes y 177 con esquemas.
Ir al listado general de Uher Werke; München
Colecciones
El modelo Universal es parte de las colecciones de los siguientes miembros.