Variocord 63
Uher Werke; München
- País
- Alemania
- Fabricante / Marca
- Uher Werke; München
- Año
- 1969/1970
- Categoría
- Registrador o reproductor de sonido o visual
- Radiomuseum.org ID
- 27850
Haga clic en la miniatura esquemática para solicitarlo como documento gratuito.
- Numero de transistores
- 10
- Principio principal
- Amplificador de Audio
- Gama de ondas
- - no hay
- Especialidades
- Grabadora de cinta
- Tensión de funcionamiento
- Red: Corriente alterna (CA, Inglés = AC) / 110; 220 Volt
- Altavoz
- Altavoz elíptico de imán permanente.
- de Radiomuseum.org
- Modelo: Variocord 63 - Uher Werke; München
- Forma
- Sobremesa apaisado (tamaño grande).
- Ancho, altura, profundidad
- 435 x 175 x 322 mm / 17.1 x 6.9 x 12.7 inch
- Anotaciones
-
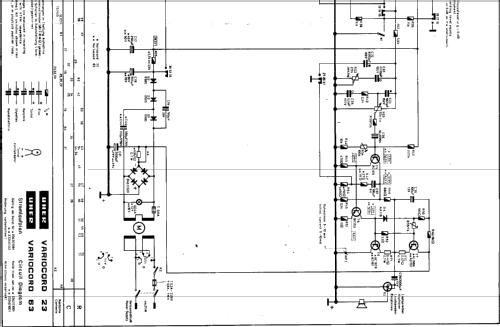
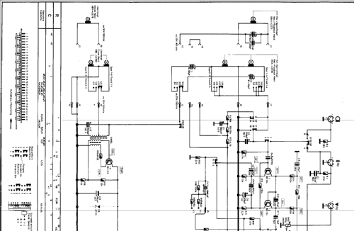
Die Modelle Variocord 23 (ab Gerät Nr. 234203001) und Variocord 63 (ab Gerät Nr. 232401001) unterscheiden sich lediglich in der Ausgangsleistung.
Variationen in der Endstufe und dem Netzteil.
- Peso neto
- 9.6 kg / 21 lb 2.3 oz (21.145 lb)
- Precio durante el primer año
- 498.00 DM
- Ext. procedencia de los datos
- erb
- Procedencia de los datos
- Handbuch VDRG 1969/1970 / Radiokatalog Band 2, Ernst Erb
- Mencionado en
- -- Schematic
- Documentación / Esquemas (1)
- - - Manufacturers Literature (Betriebsanleitung)
- Otros modelos
-
Donde encontrará 344 modelos, 317 con imágenes y 177 con esquemas.
Ir al listado general de Uher Werke; München
Colecciones
El modelo Variocord es parte de las colecciones de los siguientes miembros.