- Paese
- Nuova Zelanda-Aotearoa
- Produttore / Marca
- Ultimate (Brand), Radio Ltd. & Radio (1936) Ltd.; Auckland
- Anno
- 1940
- Categoria
- Radio (o sintonizzatore del dopoguerra WW2)
- Radiomuseum.org ID
- 363889
Clicca sulla miniatura dello schema per richiederlo come documento gratuito.
- Numero di tubi
- 8
- Principio generale
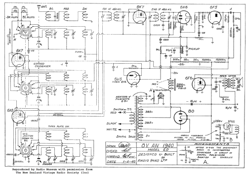
- Supereterodina con stadio RF; ZF/IF 460 kHz; 3 Stadi BF
- N. di circuiti accordati
- 7 Circuiti Mod. Amp. (AM)
- Gamme d'onda
- Onde medie (OM) e 2 gamme di onde corte (2 x OC).
- Tensioni di funzionamento
- Alimentazione a corrente alternata (CA) / 50 Hz, 230 Volt
- Altoparlante
- AP elettrodinamico (bobina mobile e bobina di eccitazione/di campo)
- Materiali
- Mobile in legno
- Radiomuseum.org
- Modello: ED [Console] - Ultimate Brand, Radio Ltd. &
- Forma
- Console di qualsiasi tipo
- Annotazioni
-
Courier ED Console
8 valve (including magic eye) superhet with RF stage.
See also Ultimate ED console model.
Same chassis used in these mantel models:
- Autore
- Modello inviato da Brian Stevens. Utilizzare "Proponi modifica" per inviare ulteriori dati.
- Altri modelli
-
In questo link sono elencati 165 modelli, di cui 141 con immagini e 147 con schemi.
Elenco delle radio e altri apparecchi della Ultimate (Brand), Radio Ltd. & Radio (1936) Ltd.; Auckland