Generatore Modulato EP-207
Unaohm Start, Ohm, E. Pontremoli; Milano
- Pays
- Italy
- Fabricant / Marque
- Unaohm Start, Ohm, E. Pontremoli; Milano
- Année
- 1966
- Catégorie
- Appareils de mesure et de dépannage (matériel de labo)
- Radiomuseum.org ID
- 170825
Cliquez sur la vignette du schéma pour le demander en tant que document gratuit.
- No. de tubes
- 6
- Gammes d'ondes
- Bandes en notes
- Tension / type courant
- Alimentation Courant Alternatif (CA) / 120; 160; 220 Volt
- Haut-parleur
- - - Pas de sortie basse fréquence
- Matière
- Boitier métallique
- De Radiomuseum.org
- Modèle: Generatore Modulato EP-207 - Unaohm Start, Ohm, E.
- Forme
- Modèle de table générique
- Dimensions (LHP)
- 400 x 305 x 180 mm / 15.7 x 12 x 7.1 inch
- Remarques
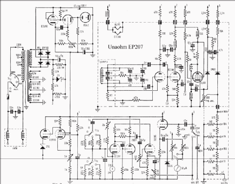
- RF from 160 KHz to 50 MHz in 6 ranges, output from 1 micro volt to 1 volt. AF 400, 1000, 3000 Hz from 0 volts to 3 volts. Quantity of valves and types unknown.
- Poids net
- 13 kg / 28 lb 10.1 oz (28.634 lb)
- Source
- - - Manufacturers Literature
- Littérature
- L'Antenna Gennaio 1966
- Auteur
- Modèle crée par Antonio Barros-Regada. Voir les propositions de modification pour les contributeurs supplémentaires.
- D'autres Modèles
-
Vous pourrez trouver sous ce lien 174 modèles d'appareils, 150 avec des images et 72 avec des schémas.
Tous les appareils de Unaohm Start, Ohm, E. Pontremoli; Milano