- País
- Italia
- Fabricante / Marca
- Unda Radio; Como, Dobbiaco
- Año
- 1960 ?
- Categoría
- Radio - o Sintonizador pasado WW2
- Radiomuseum.org ID
- 118620
Haga clic en la miniatura esquemática para solicitarlo como documento gratuito.
- Numero de transistores
- 6
- Principio principal
- Superheterodino en general; ZF/IF 468 kHz
- Gama de ondas
- OM (onda media) solamente
- Tensión de funcionamiento
- Pilas / 9 Volt
- Altavoz
- Altavoz dinámico (de imán permanente) / Ø 5.7 cm = 2.2 inch
- Potencia de salida
- 0.15 W (unknown quality)
- Material
- Plástico moderno (Nunca bakelita o catalina)
- de Radiomuseum.org
- Modelo: 61/2 - Unda Radio; Como, Dobbiaco
- Forma
- Portátil de bolsillo , menor de 20cm.
- Ancho, altura, profundidad
- 124 x 76 x 36 mm / 4.9 x 3 x 1.4 inch
- Anotaciones
- .
- Peso neto
- 0.280 kg / 0 lb 9.9 oz (0.617 lb)
- Precio durante el primer año
- 19,800.00 ITL
- Mencionado en
- Catalogo ANIE (1960-61)
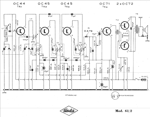
- Documentación / Esquemas (1)
- -- Schematic
- Autor
- Modelo creado por Alessandro De Poi. Ver en "Modificar Ficha" los participantes posteriores.
- Otros modelos
-
Donde encontrará 243 modelos, 163 con imágenes y 179 con esquemas.
Ir al listado general de Unda Radio; Como, Dobbiaco