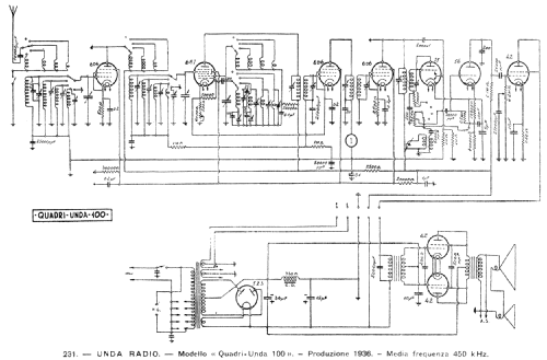
Quadri Unda 100
Unda Radio; Como, Dobbiaco
- Land
- Italien / Italy
- Hersteller / Marke
- Unda Radio; Como, Dobbiaco
- Jahr
- 1936
- Kategorie
- Rundfunkempfänger (Radio - oder Tuner nach WW2)
- Radiomuseum.org ID
- 30777
Klicken Sie auf den Schaltplanausschnitt, um diesen kostenlos als Dokument anzufordern.
- Anzahl Röhren
- 10
- Hauptprinzip
- Super mit HF-Vorstufe; ZF/IF 450 kHz
- Anzahl Kreise
- 9 Kreis(e) AM
- Wellenbereiche
- Langwelle, Mittelwelle und zwei mal Kurzwelle.
- Spezialitäten
- Plattenspieler (kein -Wechsler)
- Betriebsart / Volt
- Wechselstromspeisung
- Lautsprecher
- 2 Lautsprecher
- Material
- Gerät mit Holzgehäuse
- von Radiomuseum.org
- Modell: Quadri Unda 100 - Unda Radio; Como, Dobbiaco
- Form
- Standgerät: Sesselkonsole (Sesselsuper).
- Bemerkung
- Indicatore ottico di sintonia.
Meter.
- Datenherkunft
- Guida Pratica Antique Radio II (2000)
- Literatur/Schema (1)
- Il Radio Libro (E.D. Ravalico) Edizioni Hoepli
- Autor
- Modellseite von Alessandro De Poi angelegt. Siehe bei "Änderungsvorschlag" für weitere Mitarbeit.
- Weitere Modelle
-
Hier finden Sie 243 Modelle, davon 163 mit Bildern und 179 mit Schaltbildern.
Alle gelisteten Radios usw. von Unda Radio; Como, Dobbiaco