Jupiter de Luxe TA 5204
Videoton; Székesfehérvár
- Land
- Ungarn
- Hersteller / Marke
- Videoton; Székesfehérvár
- Jahr
- 1975–1977
- Kategorie
- Fernseh-Empfänger/Monitor
- Radiomuseum.org ID
- 165288
-
- Marke: VTTV
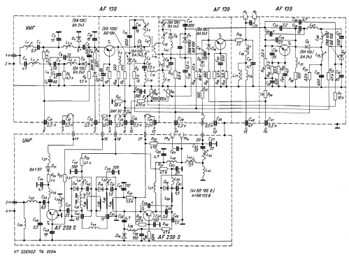
Klicken Sie auf den Schaltplanausschnitt, um diesen kostenlos als Dokument anzufordern.
- Anzahl Röhren
- 7
- Anzahl Transistoren
- 10
- Hauptprinzip
- Superhet allgemein; ZF/IF 38900 kHz
- Wellenbereiche
- Wellen in den Bemerkungen.
- Betriebsart / Volt
- Wechselstromspeisung / 220 Volt
- Lautsprecher
- Dynamischer (permanent) Ovallautsprecher / Ø 17 cm = 6.7 inch
- Belastbarkeit / Leistung
- 2 W (Qualität unbekannt)
- Material
- Gerät mit Holzgehäuse
- von Radiomuseum.org
- Modell: Jupiter de Luxe TA 5204 - Videoton; Székesfehérvár
- Form
- Tischmodell, Zusatz nicht bekannt - allgemein.
- Abmessungen (BHT)
- 720 x 525 x 348 mm / 28.3 x 20.7 x 13.7 inch
- Bemerkung
-
OIRT and CCIR, VHF I, III and UHF. 8 sensor preselection knob, screen 61 cm.
- Nettogewicht
- 33 kg / 72 lb 11 oz (72.687 lb)
- Originalpreis
- 7,800.00 HUF
- Datenherkunft
- Radio- es TV- kapcsolások, 1975-77
- Autor
- Modellseite von Sándor Selyem-Tóth angelegt. Siehe bei "Änderungsvorschlag" für weitere Mitarbeit.
- Weitere Modelle
-
Hier finden Sie 700 Modelle, davon 651 mit Bildern und 196 mit Schaltbildern.
Alle gelisteten Radios usw. von Videoton; Székesfehérvár