- Paese
- Italy
- Produttore / Marca
- La Voce del Padrone; Milano
- Anno
- 1955/1956
- Categoria
- Radio (o sintonizzatore del dopoguerra WW2)
- Radiomuseum.org ID
- 119098
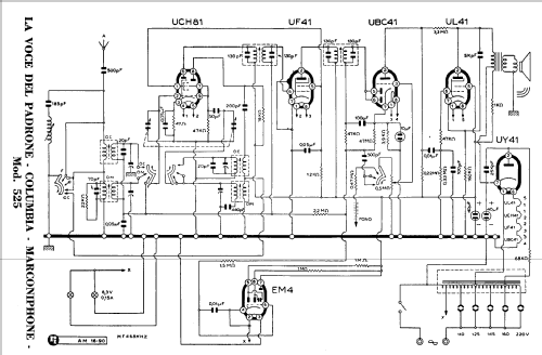
Clicca sulla miniatura dello schema per richiederlo come documento gratuito.
- Numero di tubi
- 6
- Principio generale
- Supereterodina (in generale)
- Gamme d'onda
- Onde medie (OM) e corte (OC).
- Tensioni di funzionamento
- Alimentazione a corrente alternata (CA) / 110-220 Volt
- Altoparlante
- AP din.(bobina mobile) - elettrodinamico o a magnete permanente (?).
- Materiali
- Mobile in legno
- Radiomuseum.org
- Modello: 525 - La Voce del Padrone; Milano
- Forma
- Soprammobile basso, con andamento orizzontale (grosse dimensioni).
- Dimensioni (LxAxP)
- 550 x 300 x 200 mm / 21.7 x 11.8 x 7.9 inch
- Fonte dei dati
- Guida Pratica Antique Radio (1) 1999
- Autore
- Modello inviato da Alessandro De Poi. Utilizzare "Proponi modifica" per inviare ulteriori dati.
- Altri modelli
-
In questo link sono elencati 229 modelli, di cui 186 con immagini e 141 con schemi.
Elenco delle radio e altri apparecchi della La Voce del Padrone; Milano