- Pays
- Etats-Unis
- Fabricant / Marque
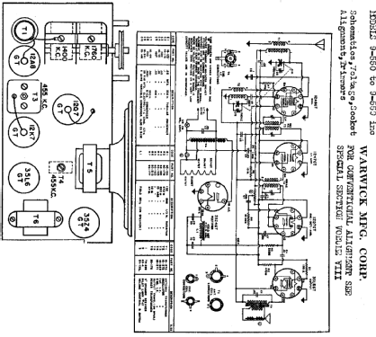
- Warwick Mfg. Corp., Chicago (Clarion)
- Année
- 1939 ?
- Catégorie
- Radio - ou tuner d'après la guerre 1939-45
- Radiomuseum.org ID
- 65173
-
- alternative name: Templeton
Cliquez sur la vignette du schéma pour le demander en tant que document gratuit.
- No. de tubes
- 5
- Principe général
- Super hétérodyne (en général); FI/IF 455 kHz
- Circuits accordés
- 5 Circuits MA (AM)
- Gammes d'ondes
- PO uniquement
- Tension / type courant
- Alimentation Courant Alternatif (CA) / 117 Volt
- Haut-parleur
- HP dynamique à électro-aimant (électrodynamique) / Ø 5 inch = 12.7 cm
- De Radiomuseum.org
- Modèle: 9-551 - Warwick Mfg. Corp., Chicago
- Source extérieure
- Ernst Erb
- Source du schéma
- Rider's Perpetual, Volume 10 = 1939 and before
- Schémathèque (1)
- Riders 10-12
- D'autres Modèles
-
Vous pourrez trouver sous ce lien 472 modèles d'appareils, 77 avec des images et 435 avec des schémas.
Tous les appareils de Warwick Mfg. Corp., Chicago (Clarion)