- Country
- United States of America (USA)
- Manufacturer / Brand
- Warwick Mfg. Corp., Chicago (Clarion)
- Year
- 1939 ?
- Category
- Broadcast Receiver - or past WW2 Tuner
- Radiomuseum.org ID
- 65175
-
- alternative name: Templeton
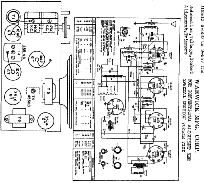
Click on the schematic thumbnail to request the schematic as a free document.
- Number of Tubes
- 5
- Main principle
- Superheterodyne (common); ZF/IF 455 kHz
- Tuned circuits
- 5 AM circuit(s)
- Wave bands
- Broadcast only (MW).
- Power type and voltage
- Alternating Current supply (AC) / 117 Volt
- Loudspeaker
- Electro Magnetic Dynamic LS (moving-coil with field excitation coil) / Ø 5 inch = 12.7 cm
- from Radiomuseum.org
- Model: 9-553 - Warwick Mfg. Corp., Chicago
- External source of data
- Ernst Erb
- Circuit diagram reference
- Rider's Perpetual, Volume 10 = 1939 and before
- Literature/Schematics (1)
- Riders 10-12
- Other Models
-
Here you find 472 models, 77 with images and 435 with schematics for wireless sets etc. In French: TSF for Télégraphie sans fil.
All listed radios etc. from Warwick Mfg. Corp., Chicago (Clarion)