Stereo Power Amplifier B-2
Yamaha Co.; Hamamatsu
- Land
- Japan
- Hersteller / Marke
- Yamaha Co.; Hamamatsu
- Jahr
- 1977/1978
- Kategorie
- NF-(Niederfrequenz-) Verstärker oder -Mixer
- Radiomuseum.org ID
- 157996
-
- anderer Name: Nippon Gakki
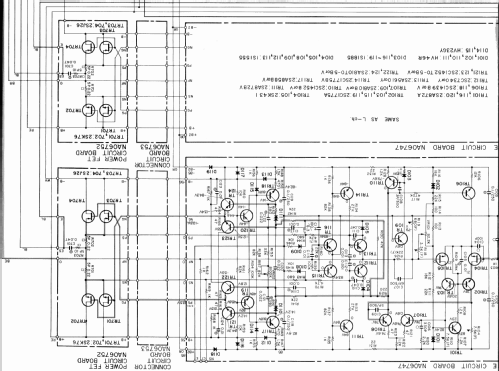
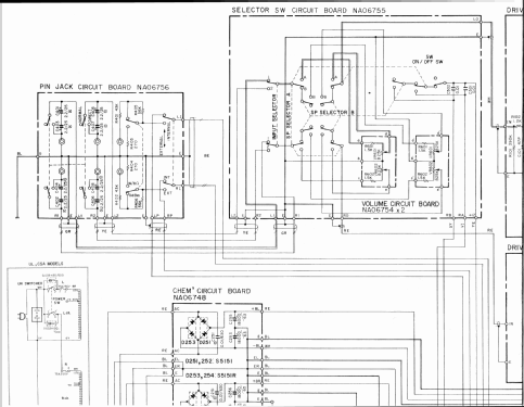
Klicken Sie auf den Schaltplanausschnitt, um diesen kostenlos als Dokument anzufordern.
- Anzahl Transistoren
- Halbleiter vorhanden.
- Halbleiter
- Hauptprinzip
- NF-Verstärkung
- Wellenbereiche
- - ohne
- Betriebsart / Volt
- Wechselstromspeisung / 220 Volt
- Lautsprecher
- - Dieses Modell benötigt externe(n) Lautsprecher.
- Belastbarkeit / Leistung
- 200 W (Qualität unbekannt)
- Material
- Metallausführung
- von Radiomuseum.org
- Modell: Stereo Power Amplifier B-2 - Yamaha Co.; Hamamatsu
- Form
- Regalgerät wie HiFi-Komponente für Bücherwand.
- Abmessungen (BHT)
- 436 x 151 x 370 mm / 17.2 x 5.9 x 14.6 inch
- Bemerkung
- Natural Sound HiFi-Stereo-Endverstärker mit 2 x 100 Watt an 8 Ohm, 0,08%.
Leistungsaufnahme 450 Watt.
Gehäuse: Blackline.
Rücklaufbedämpfte Spitzenwert-Anzeigeinstrumente. Umschaltmöglichkeit für 2 LS-Gruppen mit getrennten Pegelstellern.
- Datenherkunft
- -- Original prospect or advert
- Literaturnachweis
- Funkschau (20/1977, S. 927 - 931)
- Autor
- Modellseite von Franz Scharner angelegt. Siehe bei "Änderungsvorschlag" für weitere Mitarbeit.
- Weitere Modelle
-
Hier finden Sie 771 Modelle, davon 737 mit Bildern und 382 mit Schaltbildern.
Alle gelisteten Radios usw. von Yamaha Co.; Hamamatsu