Selectric W3 (3W) WR36
Zerdik; Wien
- Paese
- Austria
- Produttore / Marca
- Zerdik; Wien
- Anno
- 1936/1937
- Categoria
- Radio (o sintonizzatore del dopoguerra WW2)
- Radiomuseum.org ID
- 11068
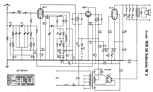
Clicca sulla miniatura dello schema per richiederlo come documento gratuito.
- Numero di tubi
- 4
- Principio generale
- Supereterodina (in generale); ZF/IF 128 kHz
- N. di circuiti accordati
- 7 Circuiti Mod. Amp. (AM)
- Gamme d'onda
- Onde medie (OM), lunghe (OL) e corte (OC).
- Tensioni di funzionamento
- Alimentazione a corrente alternata (CA)
- Altoparlante
- AP magnetodinamico (magnete permanente e bobina mobile)
- Materiali
- Mobile in legno
- Radiomuseum.org
- Modello: Selectric W3 WR36 - Zerdik; Wien
- Forma
- Soprammobile verticale (sviluppato in altezza; no cattedrale, sin decorazioni).
- Dimensioni (LxAxP)
- 355 x 455 x 230 mm / 14 x 17.9 x 9.1 inch
- Annotazioni
- =Horny UltraPrinz W
- Peso netto
- 10.5 kg / 23 lb 2 oz (23.128 lb)
- Prezzo nel primo anno
- 280.00 öS
- Fonte esterna dei dati
- E. Erb 3-907007-36-0
- Fonte dei dati
- Radiokatalog Band 2, Ernst Erb
- Riferimenti schemi
- Lange + Schenk
- Altri modelli
-
In questo link sono elencati 166 modelli, di cui 115 con immagini e 76 con schemi.
Elenco delle radio e altri apparecchi della Zerdik; Wien
Collezioni
Il modello Selectric W3 (3W) fa parte delle collezioni dei seguenti membri.