radiomuseum.org

2N364

Information - Help 
ID = 58411
       
Country:
United States of America (USA)
Brand: Texas Instruments, Dallas
Tube type:  Transistor   Audio Frequency 
Identical to 2N364
Similar Tubes
Normally replaceable-slightly different:
  2N1304

Base Wires
Description

NPN germanium junction transistor intended as AF amplifier / driver

 
Text in other languages (may differ)
Dimensions (WHD)
incl. pins / tip
10 x 8 x 5 mm / 0.39 x 0.31 x 0.20 inch
Weight 1 g / 0.04 oz
Information source -- Collector info (Sammler)   KTT 1969/70, Towers ITVL

2n364.png
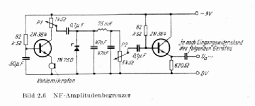
2N364: electronica 115 S.25
Egon Strampe

to_22_sams~~5.png 2N364: Sams
Günther Stabe † 19.8.20

 

You reach this tube or valve page from a search after clicking the "tubes" tab or by clicking a tube on a radio model page. You will find thousands of tubes or valves with interesting links. You even can look up radio models with a certain tube line up. [rmxtube-en]
  

Data Compliance More Information