radiomuseum.org

BD267

Information - Hilfe 
ID = 51938
       
Land:
Europa
Marke: Common type Europe tube/semicond.
Typ:  Transistor   Endstufe 
Identisch mit BD267
Ähnliche
Austauschbar, kleine Unterschiede mögl.
  BD645

Sockel Drahtenden
Beschreibung

Material/Aufbau/Pol.: Silizium Planar NPN Darlington;
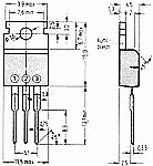
Form/Case/Outline: TO-220 Anschlussfolge B1-C1/C2-E2;
Daten/electr.data: I F: 3 A; U S: <2.0 V; Isp: <200 µA; ß (beta): >750; N: 60 W; Imax(Ic): 12 A; Umax(Ucb): 80 V*; Umax(Uce): 60 V**; f g(FT): 7 MHz; tmax j: 150 °C; kompl.: BD266.
Varianten: BD267A = 100 V* / 80 V**(~BD647), BD267B = 120 V* / 100 V**(~BD649), BD267L = 45 V* / 45 V**(~BD643) -

 
Text in anderer Sprache (evtl. verschieden)
Abmessungen (BHT)
inkl. Stifte/Spitzli
10 x 15 x 4 mm / 0.39 x 0.59 x 0.16 inch
Gewicht 3 g / 0.11 oz
Literatur -- Collector info (Sammler)   TVT 1979/80, TTT Steidle 1981

to220_ttt_108.gif BD267
Günther Stabe † 19.8.20

bd267_data1.png
BD267: Valvo Transistoren, 1974
Anonym 10 Sammler

Mehr...
Verwendung in Modellen 1= 1974 ; 1= 1976 ; 1= 1977 ; 1= 1978?

Anzahl Modelle bei Radiomuseum.org bestückt:4

Sammlung von

 
bd267.jpg

BD267
 

[rmxtube-ge, noindex]
  

Datenkonformität Mehr Informationen