radiomuseum.org
Please click your language flag. Bitte Sprachflagge klicken.

R14_TI

Information - Help 
ID = 38442
       
Country:
United States of America (USA)
Brand: Texas Instruments, Dallas
Tube type:  Transistor   RF/IF-Stage 
Identical to R14_TI = 121-17
Similar Tubes
Normally replaceable-slightly different:
  2N216
First Source (s)
Mar.1957 : -- Schematic

Base Wires
Description

Material/Aufbau/Pol.: Germanium (?) Flächen NPN;
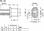
Form/Case/Outline: TO-22;
Daten/electr.data: I F: __ mA; U S: __ V; Isp: __ µA; ß (beta): __; N: __ mW; Imax(Ic): __ mA; Umax(Uce): __ V; f g(FT): __ MHz; tmax j: __ °C.
Zenith Part No.: 121-17
(no data available yet) AM-ZF-Verstärkung, auch benannt als R-14.
-

 
Dimensions (WHD)
incl. pins / tip
9 x 8 x 4 mm / 0.35 x 0.31 x 0.16 inch
Weight 1 g / 0.04 oz
Information source -- Schematic   

to_22_90.gif R14_TI: TTT Steidle 1981
Günther Stabe † 19.8.20

Usage in Models 1= 1956

Quantity of Models at Radiomuseum.org with this tube (valve, valves, valvola, valvole, válvula, lampe):1
 

You reach this tube or valve page from a search after clicking the "tubes" tab or by clicking a tube on a radio model page. You will find thousands of tubes or valves with interesting links. You even can look up radio models with a certain tube line up. [rmxtube-en]
  

Data Compliance More Information