MK Modelontwerp Super Corona
Amroh NV (Radio Bulletin monthly), Muiden
- Land
- Niederlande
- Hersteller / Marke
- Amroh NV (Radio Bulletin monthly), Muiden
- Jahr
- 1948
- Kategorie
- Rundfunkempfänger (Radio - oder Tuner nach WW2)
- Radiomuseum.org ID
- 242666
Klicken Sie auf den Schaltplanausschnitt, um diesen kostenlos als Dokument anzufordern.
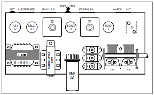
- Anzahl Röhren
- 4
- Hauptprinzip
- Superhet allgemein; ZF/IF 471 kHz; 2 NF-Stufe(n)
- Anzahl Kreise
- 4 Kreis(e) AM
- Wellenbereiche
- Langwelle, Mittelwelle und zwei mal Kurzwelle.
- Betriebsart / Volt
- Wechselstromspeisung / 127; 220 Volt
- Lautsprecher
- - Dieses Modell benötigt externe(n) Lautsprecher.
- Belastbarkeit / Leistung
- 4.5 W (Qualität unbekannt)
- Material
- Diverses Material
- von Radiomuseum.org
- Modell: MK Modelontwerp Super Corona - Amroh NV Radio Bulletin
- Form
- Chassis - Einbaugerät
- Bemerkung
-
Wave bands: LG (LW); MG (MW or Broadcast); VG (Fishery/Maritime) and KG (SW)
- Literatur/Schema (1)
- Radio Bulletin (october 1948)
- Autor
- Modellseite von Rob Majoor angelegt. Siehe bei "Änderungsvorschlag" für weitere Mitarbeit.
- Weitere Modelle
-
Hier finden Sie 240 Modelle, davon 208 mit Bildern und 231 mit Schaltbildern.
Alle gelisteten Radios usw. von Amroh NV (Radio Bulletin monthly), Muiden