- Produttore / Marca
- Baird (brand) - John Logie, Ltd.(Television); Scophony-Baird; London
- Anno
- 1966 ?
- Categoria
- Radio (o sintonizzatore del dopoguerra WW2)
- Radiomuseum.org ID
- 136366
Clicca sulla miniatura dello schema per richiederlo come documento gratuito.
- Numero di transistor
- 19
- Semiconduttori
- Principio generale
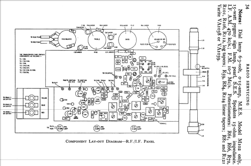
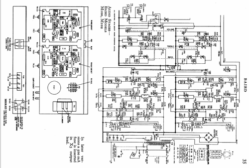
- Supereterodina (in generale); ZF/IF 470/10700 kHz; 5 Stadi BF
- N. di circuiti accordati
- 6 Circuiti Mod. Amp. (AM) 9 Circuiti Mod. Freq. (FM)
- Gamme d'onda
- Onde medie (OM), lunghe (OL) e MF (FM).
- Particolarità
- Cambiadischi
- Tensioni di funzionamento
- Alimentazione a corrente alternata (CA) / 200-250 Volt
- Altoparlante
- AP magnetodinamico (magnete permanente e bobina mobile)
- Materiali
- Mobile in legno
- Radiomuseum.org
- Modello: M102 - Baird brand - John Logie, Ltd.
- Forma
- Console di qualsiasi tipo
- Annotazioni
-
Fully transistorised AM/FM stereogram. Incorporating a BSR Monarch UA15, 4 speed record changer with ceramic stereo cartridge C1/ST3. Same chassis as model M100.
Made by Radio Rentals.
- Fonte dei dati
- -- Original-techn. papers.
- Letteratura / Schemi (1)
- Trader sheet 1776. Paul Stennings CD, vol 2.
- Autore
- Modello inviato da Keith Staines. Utilizzare "Proponi modifica" per inviare ulteriori dati.
- Altri modelli
-
In questo link sono elencati 77 modelli, di cui 51 con immagini e 39 con schemi.
Elenco delle radio e altri apparecchi della Baird (brand) - John Logie, Ltd.(Television); Scophony-Baird; London