Beolit 400 1503
Bang & Olufsen (B&O); Struer
- Country
- Denmark
- Manufacturer / Brand
- Bang & Olufsen (B&O); Struer
- Year
- 1970–1973
- Category
- Broadcast Receiver - or past WW2 Tuner
- Radiomuseum.org ID
- 186315
-
- Brand: B&O
Click on the schematic thumbnail to request the schematic as a free document.
- Number of Transistors
- Semiconductors present.
- Semiconductors
- Main principle
- Superheterodyne (common); ZF/IF 10700 kHz
- Tuned circuits
- 8 FM circuit(s)
- Wave bands
- FM Broadcast Band Only
- Power type and voltage
- Dry Batteries / 5 x 1,5 Volt
- Loudspeaker
- Permanent Magnet Dynamic (PDyn) Loudspeaker (moving coil) - elliptical
- Power out
- 1.2 W (unknown quality)
- Material
- Various materials
- from Radiomuseum.org
- Model: Beolit 400 1503 - Bang & Olufsen B&O; Struer
- Shape
- Portable set > 8 inch (also usable without mains)
- Dimensions (WHD)
- 360 x 220 x 60 mm / 14.2 x 8.7 x 2.4 inch
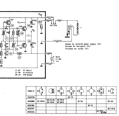
- Notes
- Nur FM 87,5-104 MHz. Anschlussbuchse für externes Netzgerät.
- Net weight (2.2 lb = 1 kg)
- 2.260 kg / 4 lb 15.6 oz (4.978 lb)
- Source of data
- -- Original-techn. papers.
- Author
- Model page created by Jörg Kulbe. See "Data change" for further contributors.
- Other Models
-
Here you find 480 models, 430 with images and 266 with schematics for wireless sets etc. In French: TSF for Télégraphie sans fil.
All listed radios etc. from Bang & Olufsen (B&O); Struer
Museums
The model Beolit 400 can be seen in the following museums.