Silvertone 6132 Ch= 528.38700
Belmont Radio Corp. (B.R.C.); Chicago, Ill.
- Land
- USA
- Hersteller / Marke
- Belmont Radio Corp. (B.R.C.); Chicago, Ill.
- Jahr
- 1956 ?
- Kategorie
- Fernseh-Empfänger/Monitor
- Radiomuseum.org ID
- 137431
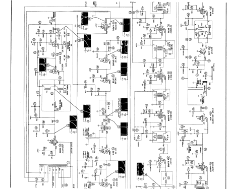
Klicken Sie auf den Schaltplanausschnitt, um diesen kostenlos als Dokument anzufordern.
- Anzahl Röhren
- 17
- Hauptprinzip
- Super mit HF-Vorstufe
- Wellenbereiche
- Wellen in den Bemerkungen.
- Betriebsart / Volt
- Wechselstromspeisung / 60 cycles, 110-120 Volt
- Lautsprecher
- Dynamischer LS, keine Erregerspule (permanentdynamisch)
- Material
- Gerät mit Holzgehäuse
- von Radiomuseum.org
- Modell: Silvertone 6132 Ch= 528.38700 - Belmont Radio Corp. B.R.C.;
- Form
- Tischmodell, Zusatz nicht bekannt - allgemein.
- Bemerkung
-
The SILVERTONE model 6132 is a 24" b/w TV with US standard VHF Tuner channels 2 thru 13. Equipped with chassis 528.38700 and picture tube 24YP4.
- Literatur/Schema (1)
- Photofact Folder, Howard W. SAMS (Date 9-56, Set 329, Folder 13)
- Autor
- Modellseite von Egon Penker angelegt. Siehe bei "Änderungsvorschlag" für weitere Mitarbeit.
- Weitere Modelle
-
Hier finden Sie 442 Modelle, davon 207 mit Bildern und 383 mit Schaltbildern.
Alle gelisteten Radios usw. von Belmont Radio Corp. (B.R.C.); Chicago, Ill.