- Country
- Germany
- Manufacturer / Brand
- Blaupunkt (Ideal), Berlin, später Hildesheim
- Year
- 1936/1937
- Category
- Broadcast Receiver - or past WW2 Tuner
- Radiomuseum.org ID
- 541
-
- alternative name: Ideal-Radiotelephon- und App-fabr. || Ideal-Werke AG; Berlin (ab 1934)
- Brand: Rotstern
Click on the schematic thumbnail to request the schematic as a free document.
- Number of Tubes
- 4
- Main principle
- TRF with regeneration; 1 Special; 1 AF stage(s)
- Tuned circuits
- 1 AM circuit(s)
- Wave bands
- Broadcast (MW) and Long Wave.
- Power type and voltage
- Alternating Current supply (AC) / 110; 125; 220; 240 Volt
- Loudspeaker
- Electro Magnetic Dynamic LS (moving-coil with field excitation coil)
- Material
- Wooden case
- from Radiomuseum.org
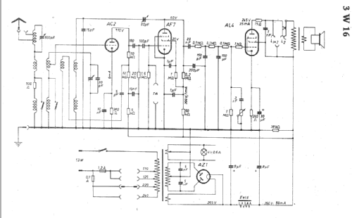
- Model: 3W16 - Blaupunkt Ideal, Berlin,
- Shape
- Tablemodel, low profile (big size).
- Dimensions (WHD)
- 460 x 280 x 225 mm / 18.1 x 11 x 8.9 inch
- Notes
- Blaupunkt 3W16.
Ausgang für 2. LS: 7000 Ohm, Lautsprecher vom Ausgangstrafo primärseitig abschaltbar, eingebauter Sperrkreis, Tonblende-Regler, Leuchtfarbenskala.
- Net weight (2.2 lb = 1 kg)
- 10.7 kg / 23 lb 9.1 oz (23.568 lb)
- Price in first year of sale
- 176.00 RM
- Source of data
- Handbuch WDRG 1937 / Radiokatalog Band 1, Ernst Erb
- Circuit diagram reference
- Lange+Schenk+FS-Röhrenbestückung
- Other Models
-
Here you find 3612 models, 3305 with images and 2357 with schematics for wireless sets etc. In French: TSF for Télégraphie sans fil.
All listed radios etc. from Blaupunkt (Ideal), Berlin, später Hildesheim
Collections
The model is part of the collections of the following members.