Boston 40253 Export
Blaupunkt (Ideal), Berlin, später Hildesheim
- Hersteller / Marke
- Blaupunkt (Ideal), Berlin, später Hildesheim
- Jahr
- 1960/1961
- Kategorie
- Rundfunkempfänger (Radio - oder Tuner nach WW2)
- Radiomuseum.org ID
- 134984
-
- anderer Name: Ideal-Radiotelephon- und App-fabr. || Ideal-Werke AG; Berlin (ab 1934)
- Marke: Rotstern
Klicken Sie auf den Schaltplanausschnitt, um diesen kostenlos als Dokument anzufordern.
- Anzahl Röhren
- 7
- Hauptprinzip
- Superhet allgemein; ZF/IF 460/10700 kHz
- Anzahl Kreise
- 6 Kreis(e) AM 10 Kreis(e) FM
- Wellenbereiche
- Mittelwelle, Kurzwelle und UKW (FM).
- Betriebsart / Volt
- Wechselstromspeisung / 117 Volt
- Lautsprecher
- 5 Lautsprecher
- Material
- Gerät mit Holzgehäuse
Die GFGF Zeitschrift Funkgeschichte bringt interessante Artikel zu Radios, Funkwesen und Medien. Bei Radiomuseum.org finden Sie die vollständigen Hefte früherer Ausgaben als PDF zum Download.
- von Radiomuseum.org
- Modell: Boston 40253 [Export] - Blaupunkt Ideal, Berlin,
- Form
- Tischgerät, Tasten oder Druckknöpfe.
- Bemerkung
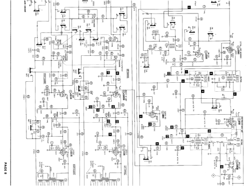
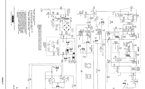
- Blaupunkt Germany made the following export models with the same chassis: Boston 40253, Florenz 20353 (table model), Florida 40203, Florida 40213 and Granada 10203. The chassis is 2 printed boards: main board and FM-RF-subchassis. The cabinets show the following white push buttons: Off, PU, TR, AM, SW, FM. The controls are: volume right channel, volume left channel, bass right channel, bass left channel, treble right channel and treble left channel. There are 5 speakers: 2 electrostatic, 2 5" x 7" diameter and one with 7" x 10" diameter. Some models have record player or changer, some have small changements in the schematics which is shown in the SAMS Photofact.
- Literatur/Schema (1)
- Photofact Folder, Howard W. SAMS (Date 10-61, set 551, folder 3)
- Autor
- Modellseite von Ernst Erb angelegt. Siehe bei "Änderungsvorschlag" für weitere Mitarbeit.
- Weitere Modelle
-
Hier finden Sie 3612 Modelle, davon 3305 mit Bildern und 2357 mit Schaltbildern.
Alle gelisteten Radios usw. von Blaupunkt (Ideal), Berlin, später Hildesheim